وحدة قياس القصور الذاتي منخفضة الضوضاء (IMU) بمدى 450 درجة/ثانية للطائرات بدون طيار (MEMS IMU)
سلسلة U7000 عالية الدقة وحدة قياس القصور الذاتي MEMS يُعد هذا النظام عبارة عن مجموعة مستشعرات قصورية سداسية المحاور بتقنية MEMS، تتميز بموثوقية عالية وفعالية من حيث التكلفة، ويمكن استخدامها على نطاق واسع في مجالات الملاحة والتحكم والقياس، لا سيما الملاحة بالقصور الذاتي وثبات الوضع. ويمكن تهيئة هذه السلسلة من وحدات قياس القصور الذاتي بتقنية MEMS ببرامج وأجهزة مختلفة وفقًا لاحتياجات المستخدم. في بعض تطبيقات الملاحة بالقصور الذاتي، يمكن استبدال الجيروسكوبات بجيروسكوبات MEMS عالية الدقة أو عالية الديناميكية لتلبية احتياجات المستخدمين المختلفة على أكمل وجه.
رقم القطعة، :
U7000الطلب (الحد الأدنى للكمية) :
1سلسلة المنتجات والمعايير
| المعلمة | U7000-A | U7000-B | وحدة |
| جيروسكوب | |||
| نطاق القياس | ±400 | ±400 | °/s |
| استقرار كامل عند درجة حرارة صفرية (10 ثوانٍ، 1σ) | ≤10 | ≤2 | °/ساعة |
| استقرار الانحياز الصفري (10 ثوانٍ، 1σ) | ≤1 | ≤0.3 | °/ساعة |
| استقرار الانحياز الصفري (ألان) | ≤0.1 | ≤0.07 | °/ساعة |
| قابلية التكرار بدون انحياز (1σ) | ≤1 | ≤0.3 | °/ساعة |
| المشي العشوائي بزاوية | ≤0.05 | ≤0.02 | °/√h |
| اللاخطية في عامل المقياس | ≤100 | جزء في المليون | |
| عرض النطاق الترددي (قابل للتعديل) | 100 | Hz | |
| مقياس التسارع | |||
| نطاق القياس | ±30 | g | |
| استقرار كامل عند درجة حرارة صفرية (10 ثوانٍ، 1σ) | ≤1 | mg | |
| استقرار الانحياز الصفري (10 ثوانٍ، 1σ) | ≤100 | μg | |
| استقرار الانحياز الصفري (ألان) | ≤15 | μg | |
| قابلية التكرار بدون انحياز (1σ) | ≤100 | μg | |
| المشي العشوائي بزاوية | ≤10 | مم/ث/√س | |
| اللاخطية في عامل المقياس | ≤500 | جزء في المليون | |
| عرض النطاق الترددي (قابل للتعديل) | 100 | Hz | |
| واجهة كهربائية/ميكانيكية | |||
| مزود الطاقة | 5 ~ 12 | V | |
| استهلاك الطاقة | 1.5 | W | |
| وقت البدء | 2 | s | |
| واجهة الاتصال | RS422/RS232 | ||
| معدل تحديث البيانات | 200 (قابل للتكوين، حتى 1 كيلو هرتز) | Hz | |
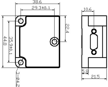
| الأبعاد | 44.8 × 38.6 × 21.5 | mm | |
| وزن | 55±5 | g | |
| بيئة | |||
| درجة حرارة التشغيل | -40 ~ +80 | ℃ | |
| درجة حرارة التخزين | -55 ~ +85 | ℃ | |
| اهتزاز | 6.06 | ج، رمس | |
| صدمة | 1000 غرام/1 مللي ثانية (عند التشغيل) | g | |
عملية الإنتاج
أبعاد المنتج

سيناريوهات التطبيق



التعليمات
Xml سياسة الخصوصية مدونة خريطة الموقع
حقوق الطبع والنشر @ شركة مايكرو ماجيك جميع الحقوق محفوظة.
الشبكة المدعومة