وحدة قياس القصور الذاتي MEMS عالية الدقة U16495، 9 محاور (جيروسكوب/تسارع/مغناطيسي)، SPI، متوافقة مع ADIS16495
وحدة القياس بالقصور الذاتي U16495 MEMS هي وحدة صغيرة الحجم وعالية الدقة ذات 9 محاور. وهي مناسبة للملاحة الدقيقة والتحكم والقياس الديناميكي للمركبات. تدمج وحدة القياس بالقصور الذاتي من سلسلة U16495 جيروسكوبات ومقاييس تسارع ومقاييس مغناطيسية بتقنية MEMS ضمن بنيتها. تمثل الجيروسكوبات ومقاييس التسارع والمغناطيسية المختارة من قبل النظام أحدث ما توصلت إليه أجهزة القياس بالقصور الذاتي المصنعة بتقنية MEMS، وتتميز بموثوقية عالية ومتانة فائقة. ويمكنها قياس السرعة الزاوية ومعلومات التسارع والمعلومات المغناطيسية للمركبات المتحركة بدقة عالية حتى في البيئات القاسية.
رقم القطعة، :
U16495منتج بديل :
ADIS 16495سلسلة المنتجات والمعايير
| المعلمة | شروط الاختبار | مين | النوع | الأعلى | وحدة | |
| جيروسكوب | يتراوح | ±350 | ±500 | °/s | ||
| انحياز صفري عند درجة الحرارة الكاملة | 1 سيجما | ±20 | 60 | °/ساعة | ||
| استقرار الانحياز الصفري | 10 ثوانٍ | 3 | 5 | °/ساعة | ||
| عدم استقرار الانحياز الصفري | ألان | 0.3 | 0.5 | °/ساعة | ||
| قابلية التكرار بدون انحياز | 1 | 5 | °/ساعة | |||
| المشي العشوائي بزاوية | 0.1 | 0.2 | °/√h | |||
| اللاخطية في عامل المقياس | ±100 | جزء في المليون | ||||
| الاقتران المتبادل | ±0.001 | راد | ||||
| عرض النطاق الترددي | 200 | Hz | ||||
| مقياس التسارع | يتراوح | ±20 | g | |||
| انحياز صفري عند درجة الحرارة الكاملة | 1 سيجما | ±1 | ±3 | mg | ||
| استقرار الانحياز الصفري | 10 ثوانٍ | 0.05 | 0.1 | mg | ||
| عدم استقرار الانحياز الصفري | ألان | 0.01 | 0.03 | mg | ||
| قابلية التكرار بدون انحياز | 0.05 | 0.1 | mg | |||
| المشي العشوائي للسرعة | 0.03 | م/ث/√س | ||||
| اللاخطية في عامل المقياس | ±1 غرام | ±200 | ±200 | جزء في المليون | ||
| الاقتران المتبادل | ±0.001 | راد | ||||
| عرض النطاق الترددي | 200 | Hz | ||||
| مقياس المغناطيسية | يتراوح | ±8 | Gs | |||
| دقة | 200 | ميكروغاوص | ||||
| كثافة الضوضاء | 50 | ميكروغاوص | ||||
| عرض النطاق الترددي | 200 | Hz | ||||
| واجهة الاتصال | مؤشر التداخل المكاني | 25 | ميجاهرتز | |||
| UART | 9.6 | 460.8 | 921.6 | كيلوبت في الثانية | ||
| الخصائص الكهربائية | جهد التشغيل | 3 | 3.3 | 3.6 | V | |
| استهلاك الطاقة | 0.5 | W | ||||
| تموج | من الذروة إلى الذروة | 100 | mV | |||
| وقت بدء التشغيل | 2 | s | ||||
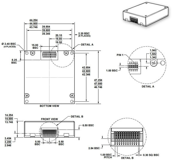
| الخصائص الهيكلية | مقاس | 47.0 × 44.0 × 14.0 | mm | |||
| وزن | 50 | g | ||||
| بيئة التشغيل | درجة حرارة التشغيل | -40 | 80 | ℃ | ||
| درجة حرارة التخزين | -55 | 85 | ℃ | |||
| اهتزاز | 10-2000 هرتز، 6.06 غرام | |||||
| صدمة | 30 غرام، 11 مللي ثانية | |||||
| التحميل الزائد | نصف موجة جيبية | 1000 غرام | ||||
| مصداقية | متوسط الوقت بين الأعطال | 20000 | h | |||
| ساعات عمل متواصلة | 120 | h | ||||
| ملاحظة: تمثل القيم النموذجية القيم الإحصائية 1 σ لمجموعات متعددة من مؤشرات اختبار المنتج. | ||||||
عملية الإنتاج
أبعاد المنتج

سيناريوهات التطبيق
من -40 درجة مئوية إلى +80 درجة مئوية، U16495تتيح خاصية تعويض معايرة درجة الحرارة الكاملة (مع مستشعر درجة حرارة مدمج) إمكانية قياس ومعايرة الانحياز الصفري لدرجة الحرارة الكاملة لجيروسكوب هذا المحور بدقة، بالإضافة إلى عدم الخطية في عامل المقياس.



التعليمات
Xml سياسة الخصوصية مدونة خريطة الموقع
حقوق الطبع والنشر @ شركة مايكرو ماجيك جميع الحقوق محفوظة.
الشبكة المدعومة