وحدة قياس القصور الذاتي MEMS سداسية المحاور عالية الدقة U503
وحدة القياس بالقصور الذاتي U503 بتقنية MEMS هي وحدة قياس بالقصور الذاتي سداسية المحاور عالية الدقة والأداء، تُستخدم على نطاق واسع في مجالات الملاحة والتحكم والقياس، بما في ذلك المركبات والسفن والطائرات المسيّرة. تدمج سلسلة وحدات القياس بالقصور الذاتي U503 جيروسكوبات MEMS عالية الأداء ومقاييس تسارع عالية الأداء ضمن بنية مستقلة. وقد خضعت هذه الوحدة لتصميم محكم الإغلاق ومعالجة داخلية لامتصاص الصدمات، مما يلبي متطلبات تطبيقات الملاحة عالية الدقة والديناميكية في البيئات القاسية.
رقم القطعة، :
U503الطلب (الحد الأدنى للكمية) :
1سلسلة المنتجات والمعايير
| حدود | المؤشرات الفنية | |
| U503-A | U503-B | |
| جيروسكوب | ||
| نطاق القياس (°/ثانية) | ±300 | ±300 |
| درجة حرارة كاملة بدون انحياز (°/ساعة، 3σ) | ≤2 | ≤2 |
| استقرار الانحياز الصفري (°/ساعة، 10 ثوانٍ) | ≤0.15 | ≤0.3 |
| عدم استقرار الانحياز الصفري (°/س، ألان، نموذجي) | ≤0.03 | ≤0.03 |
| قابلية التكرار بدون انحياز (°/ساعة، 1σ) | ≤0.3 | ≤0.3 |
| المشي بزاوية عشوائية (°/√h) | ≤0.005 | ≤0.02 |
| اللاخطية في عامل المقياس (جزء في المليون) | ≤100 | ≤100 |
| الاقتران المتقاطع (راديان) | ≤0.001 | ≤0.001 |
| عرض النطاق الترددي (هرتز) | ≥100 | ≥200 |
| مقياس التسارع | ||
| نطاق القياس (جم) | ±30 | ±30 |
| درجة حرارة كاملة بدون انحياز (ملغ) | ≤0.5 | ≤2 |
| استقرار الانحياز الصفري (ميكروغرام، 10 ثوانٍ) | ≤10 | ≤50 |
| عدم استقرار الانحياز الصفري (ميكروغرام، ألان، نموذجي) | ≤3 | ≤30 |
| قابلية التكرار بدون انحياز (ميكروغرام) | ≤10 | ≤50 |
| سرعة المشي العشوائي (م/ث/√س) | ≤0.01 | ≤0.03 |
| اللاخطية في عامل المقياس (جزء في المليون، ±1 غرام) | ≤100 | ≤100 |
| الاقتران المتقاطع (راديان) | ≤0.001 | ≤0.001 |
| عرض النطاق الترددي (هرتز) | ≥200 هرتز | ≥200 هرتز |
| واجهة كهربائية/ميكانيكية | ||
| مصدر الطاقة (فولت) | 5~12 | |
| القدرة في حالة الاستقرار (واط) | ≤2 | |
| وقت بدء التشغيل (أو أوقات بدء التشغيل) | ≤2 | |
| واجهة الاتصال | RS-422 | |
| معدل نقل البيانات (هرتز، الحد الأقصى) | 2000 | |
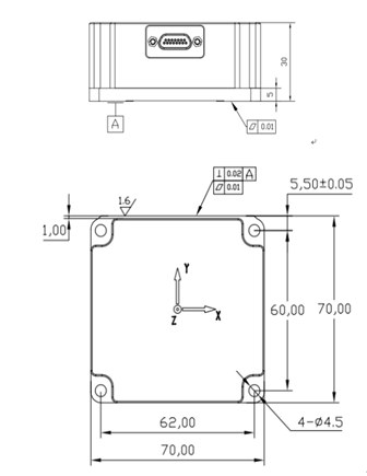
| الحجم (مم × مم × مم) | 70×70×30 | |
| الوزن (غرام) | 220±10 | |
| بيئة التشغيل | ||
| درجة حرارة التشغيل (درجة مئوية) | -50 إلى +80 (أو ابدأ من -50 واعمل عند -55) | |
| درجة حرارة التخزين (درجة مئوية) | -55~85 | |
| الاهتزاز (g، RMS) | 13 | |
| صدمة (غ) | 1000 | |
عملية الإنتاج
أبعاد المنتج

سيناريوهات التطبيق



التعليمات
Xml سياسة الخصوصية مدونة خريطة الموقع
حقوق الطبع والنشر @ شركة مايكرو ماجيك جميع الحقوق محفوظة.
الشبكة المدعومة