وحدة قياس القصور الذاتي بتقنية MEMS مناسبة للبيئات الديناميكية
وحدة قياس القصور الذاتي U5000 MEMS هي وحدة MEMS سداسية المحاور عالية الموثوقية وفعالة من حيث التكلفة وحدة قياس القصور الذاتيتُستخدم هذه التقنية على نطاق واسع في مجالات الملاحة والتحكم والقياس، والتي تشمل المركبات والسفن والطائرات المسيّرة. تدمج سلسلة وحدات القياس بالقصور الذاتي U5000 جيروسكوبات ومقاييس تسارع MEMS عالية الأداء ضمن بنية مستقلة. تمثل الجيروسكوبات ومقاييس التسارع المختارة للنظام أحدث ما توصلت إليه تقنية MEMS في مجال أجهزة القياس بالقصور الذاتي. تستشعر جيروسكوبات MEMS ثلاثية المحاور الحركة الزاوية للحامل، بينما تستشعر مقاييس التسارع MEMS ثلاثية المحاور التسارع الخطي للحامل. يعوّض النظام داخليًا عن موضع الصفر، ومعامل المقياس، والخطأ غير المتعامد، والعوامل المتعلقة بالتسارع عبر جميع معايير درجة الحرارة، مما يحافظ على دقة قياس عالية لفترة طويلة.
يمكن تهيئة وحدة قياس القصور الذاتي من سلسلة U5000 بأجهزة وبرامج مختلفة وفقًا لاحتياجات المستخدم.
رقم القطعة، :
U5000الطلب (الحد الأدنى للكمية) :
1سلسلة المنتجات والمعايير
| حدود | المؤشرات الفنية |
| جيروسكوب | |
| نطاق القياس (°/ثانية) | ±500 |
| درجة حرارة كاملة بدون انحياز (°/ساعة، 3σ) | ≤30 |
| استقرار الانحياز الصفري (°/ساعة، 10 ثوانٍ) | ≤2 |
| عدم استقرار الانحياز الصفري (°/س، ألان، نموذجي) | ≤0.1 |
| قابلية التكرار بدون انحياز (°/ساعة) | ≤1 |
| المشي العشوائي بالزاوية (°/√h) | ≤0.1 |
| اللاخطية في عامل المقياس (جزء في المليون) | ≤100 |
| الاقتران المتبادل (راديان) | ≤0.001 |
| عرض النطاق الترددي (هرتز) | ≥200 هرتز |
| مقياس التسارع | |
| نطاق القياس (جم) | ±30 |
| درجة حرارة كاملة بدون انحياز (mg,3σ) | ≤2 |
| استقرار الانحياز الصفري (ميكروغرام، 10 ثوانٍ) | ≤50 |
| عدم استقرار الانحياز الصفري (ميكروغرام، ألان، نموذجي) | ≤30 |
| قابلية التكرار بدون انحياز (ميكروجرام) | ≤50 |
| سرعة المشي العشوائي (م/ث/√س) | ≤0.03 |
| اللاخطية في عامل المقياس (جزء في المليون، ±1 غرام) | ≤100 |
| الاقتران المتبادل (راديان) | ≤0.001 |
| عرض النطاق الترددي (هرتز) | ≥200 هرتز |
| الخصائص الفيزيائية | |
| مصدر الطاقة (فولت) | 5~12 |
| القدرة في حالة الاستقرار (واط) | ≤2 |
| وقت بدء التشغيل (أو أوقات بدء التشغيل) | ≤2 |
| معدل تحديث البيانات (هرتز، الحد الأقصى) | 2000 |
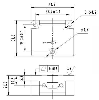
| الأبعاد (مم × مم × مم) | 44.8×38.6×21.5 |
| الوزن (غ) | 52±5 |
| بيئة التشغيل | |
| درجة حرارة التشغيل (درجة مئوية) | -40~80 |
| درجة حرارة التخزين (درجة مئوية) | -55~85 |
| الاهتزاز (g، RMS) | 20~2000 هرتز، 6.06 |
| صدمة (g) | 500/1 مللي ثانية |
عملية الإنتاج
أبعاد المنتج


سيناريوهات التطبيق



التعليمات
Xml سياسة الخصوصية مدونة خريطة الموقع
حقوق الطبع والنشر @ شركة مايكرو ماجيك جميع الحقوق محفوظة.
الشبكة المدعومة