جيروسكوب ألياف بصرية، وحدة قياس بالقصور الذاتي عالية الدقة، مخرج RS422
وحدة قياس القصور الذاتي بالألياف الضوئية (IMU)وحدة قياس القصور الذاتي) هو نظام صغير لتطوير أنظمة الملاحة والتوجيه وقياس الوضع والتحكم في القنابل الموجهة، وهو نظام يعتمد على تقنية القصور الذاتي، ويتكون من ثلاثة جيروسكوبات ليفية صلبة، وثلاثة مقاييس تسارع كوارتز، ولوحة تجميع بيانات، لقياس السرعة الزاوية لحركة الحامل وتسارع الخط، وذلك للتحكم في وضع الحامل والملاحة، ويتم إخراج نتائج القياس من خلال منفذ تسلسلي RS422.
رقم القطعة، :
U-F3X80الطلب (الحد الأدنى للكمية) :
1سلسلة المنتجات والمعايير
| U-F3X80-H | U-F3X80-M | وحدة | |
| استقرار بدون انحياز (في درجة حرارة الغرفة) | ≤0.30 | ≤0.50 | °/ساعة |
| قابلية التكرار بدون تحيز (تحت درجة حرارة معينة، خطوة بخطوة، يومًا بعد يوم) | ≤0.30 | ≤0.50 | °/ساعة |
| عامل المقياس للتكرارية (في درجة حرارة الغرفة) | ≤30 | ≤50 | جزء في المليون |
| عامل مقياس عدم التناظر (تحت درجة حرارة معينة) | ≤20 | ≤30 | جزء في المليون |
| عامل قياس اللاخطية (تحت درجة حرارة معينة) | ≤20 | ≤30 | جزء في المليون |
| عتبة | ≤0.50 | °/ساعة | |
| النطاق الديناميكي للسرعة الزاوية | ±500 | °/s | |
| عرض النطاق الترددي | ≥100 | Hz | |
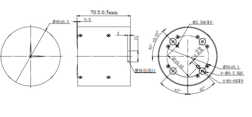
| الأبعاد | 80**80*70 | mm | |
| الوزن (بما في ذلك مقياس التسارع) | 780±20 | g | |
| درجة حرارة التشغيل | -40 إلى +65 | ℃ |
عملية الإنتاج
أبعاد المنتج

سيناريوهات التطبيق



التعليمات
Xml سياسة الخصوصية مدونة خريطة الموقع
حقوق الطبع والنشر @ شركة مايكرو ماجيك جميع الحقوق محفوظة.
الشبكة المدعومة