U16575 عبارة عن وحدة قياس بالقصور الذاتي MEMS سداسية المحاور مع مخرج رقمي SPI/UART، والتي يمكن أن تكون متوافقة مع ADIS16575.
وحدة القياس بالقصور الذاتي U16575 بتقنية MEMS هي وحدة قياس بالقصور الذاتي سداسية المحاور عالية الموثوقية وفعالة من حيث التكلفة، وتُستخدم على نطاق واسع في مجالات الملاحة والتحكم والقياس، بما في ذلك المركبات والسفن والطائرات المسيّرة. تدمج سلسلة وحدات القياس بالقصور الذاتي U16575 جيروسكوبات ومقاييس تسارع بتقنية MEMS عالية الأداء ضمن بنية مستقلة. تمثل الجيروسكوبات ومقاييس التسارع المختارة للنظام أحدث ما توصلت إليه تقنية MEMS في مجال أجهزة القياس بالقصور الذاتي. تستشعر جيروسكوبات MEMS ثلاثية المحاور الحركة الزاوية للحامل، بينما تستشعر مقاييس التسارع MEMS ثلاثية المحاور التسارع الخطي للحامل. يعوّض النظام داخليًا عن موضع الصفر، ومعامل المقياس، والخطأ غير المتعامد، والعوامل المتعلقة بالتسارع عبر جميع معايير درجة الحرارة، مما يحافظ على دقة قياس عالية على مدى فترة زمنية طويلة.
يمكن تهيئة وحدة قياس القصور الذاتي من سلسلة U16575 بأجهزة وبرامج مختلفة وفقًا لاحتياجات المستخدم.
رقم القطعة، :
U16575منتج بديل :
ADIS16575سلسلة المنتجات والمعايير
| المعلمة | المؤشرات | وحدة |
| جيروسكوب | ||
| نطاق القياس | ±400 | °/s |
| درجة حرارة كاملة بدون انحياز | ≤80 | °/ساعة، 3σ |
| استقرار بدون انحياز | ≤5 | °/ساعة، 10 ثوانٍ |
| عدم استقرار الانحياز الصفري | ≤1 | °/س، ألان، نموذجي |
| قابلية التكرار بدون انحياز | ≤5 | °/ساعة |
| المشي العشوائي بزاوية | ≤0.3 | °/√h |
| اللاخطية في عامل المقياس | ≤150 | جزء في المليون |
| الاقتران المتقاطع | ≤0.001 | راد |
| عرض النطاق الترددي | ≥200 هرتز | Hz |
| مقياس التسارع | ||
| نطاق القياس | ±10 | g |
| درجة حرارة كاملة بدون انحياز | ≤5 | ملغ، 3σ |
| استقرار الانحياز الصفري | ≤300 | ميكروغرام، 10 ثوانٍ |
| عدم استقرار الانحياز الصفري | ≤30 | ميكروغرام، ألان، نموذجي |
| قابلية التكرار بدون انحياز | ≤50 | Ug |
| المشي العشوائي السريع | ≤0.03 | م/ث/√س |
| اللاخطية في عامل المقياس | ≤200 | جزء في المليون، ±1 غرام |
| الاقتران المتبادل | ≤0.001 | راد |
| عرض النطاق الترددي | ≥200 هرتز | Hz |
| الخصائص الفيزيائية | ||
| مزود الطاقة | 3.3 | V |
| قوة الحالة المستقرة | ≤1 | W |
| وقت بدء التشغيل | ≤2 | s |
| واجهة الاتصال | إحدى الطرق هي SPI، والأخرى هي UART | |
| معدل التحديث | 1000 | هرتز، الحد الأقصى |
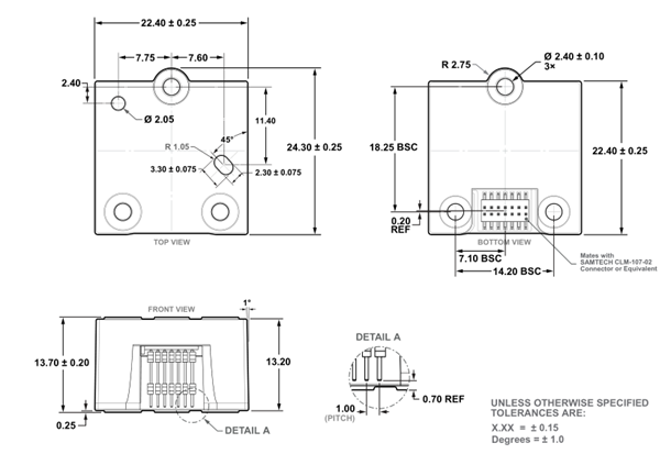
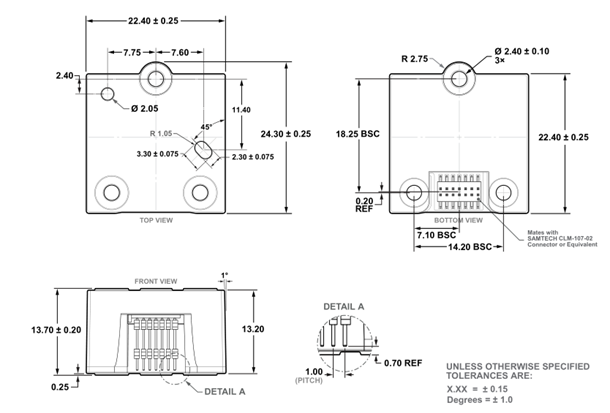
| أبعاد | 22.4*22.3*13.7 | mm |
| وزن | 12±2 | g |
| بيئة العمل | ||
| درجة حرارة التشغيل | -40~80 | ℃ |
| درجة حرارة التخزين | -55~85 | ℃ |
| اهتزاز | 20~2000 هرتز، 6.06 | g، RMS |
| تأثير | 1000/1 مللي ثانية | g |
عملية الإنتاج
أبعاد المنتج

سيناريوهات التطبيق



التعليمات
Xml سياسة الخصوصية مدونة خريطة الموقع
حقوق الطبع والنشر @ شركة مايكرو ماجيك جميع الحقوق محفوظة.
الشبكة المدعومة