مستشعر MEMS IMU/Vru/Ahrs مع عدم استقرار انحياز الجيروسكوب 0.3 درجة/أفقي، انحياز مقياس التسارع 20 ميكروغرام
تُجهز وحدات القياس بالقصور الذاتي من سلسلة U6488 بجيروسكوبات ومقاييس تسارع ثلاثية المحاور مدمجة، تُستخدم لقياس معدلات الدوران والتسارع على المحاور الثلاثة للحامل. تُخرج البيانات من الجيروسكوبات ومقاييس التسارع، بعد معالجتها لتصحيح الأخطاء (بما في ذلك تصحيح درجة الحرارة، وتصحيح زاوية عدم محاذاة التركيب، والتصحيح غير الخطي، وما إلى ذلك)، عبر منفذ تسلسلي وفقًا لبروتوكول الاتصال المتفق عليه. يمكن استخدامها للملاحة الدقيقة والتحكم والقياس الديناميكي للحامل. يستخدم هذا المنتج أجهزة قصور ذاتي MEMS عالية الدقة، تتميز بصغر حجمها ومقاومتها العالية للأحمال الزائدة وموثوقيتها وصلابتها العالية، وهي قادرة على قياس معدل الدوران ومعلومات التسارع بدقة للحامل المتحرك حتى في البيئات القاسية.
تتضمن سلسلة U6488 أربعة طرازات: U6488-B وU6488-C وU6488-D وU6488-E. تتشابه هذه الطرازات الأربعة في الشكل وأداء واجهة المستخدم. باستثناء U6488-E، جميعها مزودة بمقاييس مغناطيسية ثلاثية المحاور ومقاييس ضغط جوي رقمية مدمجة.
رقم القطعة، :
U6488الطلب (الحد الأدنى للكمية) :
1سلسلة المنتجات والمعايير
| المعلمة | U6488-A | U6488-B | وحدة | |
| الجيروسكوبات | ||||
| النطاق الديناميكي | ±450 | ±450 | °/s | |
| استقرار الانحياز | تباين ألان | 1 | 0.8 | °/ساعة |
| متوسط 10 ثوانٍ (-40~+85 درجة مئوية، درجة حرارة ثابتة) | 4 | 5 | °/ساعة | |
| ممشى رادوم | 0.1 | 0.065 | º/√h | |
| التحيز والتكرار | 4 | 5 | °/ساعة | |
| بايس | تغير الانحياز عند نطاق درجة الحرارة الكامل 1 | ±0.04 | ±0.05 | °/s |
| تغير الانحياز في ظروف الاهتزاز 2 | 6 | 6 | °/ساعة | |
| اللاخطية في عامل المقياس | 100 | 100 | جزء في المليون | |
| دقة | 3.052*10-7 | 3.052*10-7 | º/s/LSB | |
| عرض النطاق الترددي | 200 | 260 | Hz | |
| مقياس التسارع | ||||
| النطاق الديناميكي | ±16 | ±20 | g | |
| استقرار الانحياز | تباين ألان | 0.03 | 0.02 | mg |
| متوسط 10 ثوانٍ (-40~+85 درجة مئوية، درجة حرارة ثابتة) | 0.06 | 0.05 | mg | |
| ممشى رادوم | 0.01 | 0.05 | م/ث/√س | |
| التحيز والتكرار | 0.06 | 0.08 | mg | |
| اللاخطية في عامل المقياس | 100 | 100 | جزء في المليون | |
| دقة | 1.221*10-8 | 1.221*10-8 | g/LSB | |
| عرض النطاق الترددي | 200 | 260 | Hz | |
| مقياس المغناطيسية | ||||
| النطاق الديناميكي | ±2 | ±8 | جاوس | |
| دقة | 120 | 200 | يو جاوس | |
| متوسط قوة الضوضاء | 10 هرتز | 50 | 50 | يو جاوس |
| عرض النطاق الترددي | 200 | Hz | ||
| مقياس الضغط الجوي | ||||
| نطاق | 450 | 1100 | مليبار | |
| دقة | 0.1 | 0.1 | مليبار | |
| دقة مطلقة | 1.5 | 1.5 | مليبار | |
| واجهة الاتصال | ||||
| قناة واحدة SPI | معدل الباود | 25 | 25 | ميجاهرتز |
| قناة واحدة UART | معدل الباود | 230.4 | 230.4 | كيلوبت في الثانية |
| معدل أخذ العينات | مؤشر التداخل المكاني | 2000 | 2000 | Hz |
| UART | 200 | 200 | Hz | |
| الخصائص الإلكترونية | ||||
| الجهد االكهربى | 3.3±0.3 | V | ||
| استهلاك الطاقة | 1.5 | W | ||
| موجة التموج | PP | 100 | mV | |
| الخصائص الفيزيائية | ||||
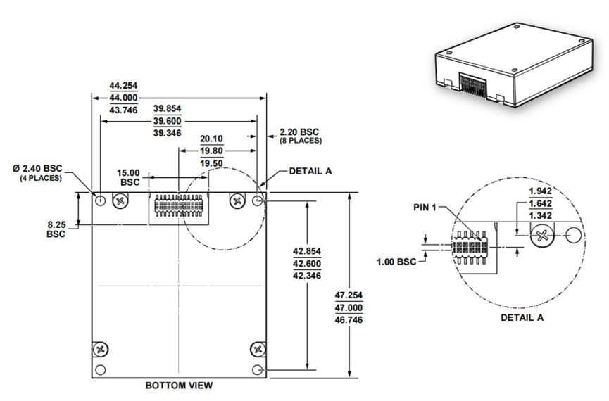
| الأبعاد | 47*44*14 | mm | ||
| وزن | 50 | غرام | ||
عملية الإنتاج
أبعاد المنتج


سيناريوهات التطبيق



التعليمات
Xml سياسة الخصوصية مدونة خريطة الموقع
حقوق الطبع والنشر @ شركة مايكرو ماجيك جميع الحقوق محفوظة.
الشبكة المدعومة