مستشعر IMU عالي الدقة ذو خرج رقمي بتقنية MEMS U16488، وحدة قياس بالقصور الذاتي تكتيكية ذات 10 محاور للملاحة والأنظمة المستقلة
وحدة القياس بالقصور الذاتي U16488-D MEMS هي وحدة قياس بالقصور الذاتي ذات 10 محاور، تتميز بصغر حجمها ودقتها العالية. وهي مناسبة للملاحة الدقيقة والتحكم والقياس الديناميكي للمركبات. تدمج وحدة القياس بالقصور الذاتي U16488-D جيروسكوبات ومقاييس تسارع ومقاييس مغناطيسية ومقاييس ضغط جوي بتقنية MEMS ضمن بنيتها. تمثل هذه الجيروسكوبات ومقاييس التسارع والمغناطيسية والضغط الجوي، التي يختارها النظام، أحدث ما توصلت إليه أجهزة القياس بالقصور الذاتي بتقنية MEMS، إذ تتميز بموثوقية عالية ومتانة فائقة. ويمكنها قياس السرعة الزاوية والتسارع والمجال المغناطيسي والضغط (الارتفاع) بدقة عالية للمركبات المتحركة في البيئات القاسية.
رقم القطعة، :
U16488الطلب (الحد الأدنى للكمية) :
1سلسلة المنتجات والمعايير
| المعلمة | شروط الاختبار | مين | النوع | الأعلى | وحدة | |
| جيروسكوب | يتراوح | -500 | 500 | °/s | ||
| انحياز صفري عند درجة الحرارة الكاملة | 50 | 100 | °/ساعة | |||
| استقرار الانحياز الصفري | تنعيم لمدة 10 ثوانٍ | 3 | 5 | °/ساعة | ||
| عدم استقرار الانحياز الصفري | تباين ألان | 0.8 | 1 | °/ساعة | ||
| قابلية التكرار بدون انحياز | درجة حرارة ثابتة | 1.5 | 3 | °/ساعة | ||
| المشي العشوائي بزاوية | 0.08 | 0.1 | °/√h | |||
| اللاخطية في عامل المقياس | 25 | 100 | جزء في المليون | |||
| الاقتران المتبادل | 0.001 | راد | ||||
| عرض النطاق الترددي | 200 | Hz | ||||
| مقياس التسارع | يتراوح | -16 | 16 | g | ||
| انحياز صفري عند درجة الحرارة الكاملة | 0.5 | 3 | mg | |||
| استقرار الانحياز الصفري | تنعيم لمدة 10 ثوانٍ | 0.02 | 0.05 | mg | ||
| عدم استقرار الانحياز الصفري | تباين ألان | 0.01 | 0.02 | mg | ||
| قابلية التكرار بدون انحياز | درجة حرارة ثابتة | 0.02 | 0.05 | mg | ||
| المشي العشوائي للسرعة | 0.01 | 0.03 | م/ث/√س | |||
| اللاخطية في عامل المقياس | ±1 غرام | 100 | 200 | جزء في المليون | ||
| الاقتران المتبادل | 0.001 | راد | ||||
| عرض النطاق الترددي | 200 | Hz | ||||
| مقياس المغناطيسية | يتراوح | -8 | 8 | Gs | ||
| دقة | 200 | ميكروغاوص | ||||
| كثافة الضوضاء | 50 | ميكروغاوص | ||||
| عرض النطاق الترددي | 200 | Hz | ||||
| مقياس الضغط الجوي | يتراوح | 300 | 1100 | مليبار | ||
| خطأ تام | 4.5 | مليبار | ||||
| الخطأ المطلق | 1.5 | مليبار | ||||
| اللاخطية | 0.1 | %FS | ||||
| دقة | 0.1 | مليبار | ||||
| واجهة الاتصال | مؤشر التداخل المكاني | 10 | ميجاهرتز | |||
| UART | 9.6 | 460.8 | 921.6 | كيلوبت في الثانية | ||
| الخصائص الكهربائية | جهد التشغيل | 3 | 3.3 | 3.6 | V | |
| استهلاك الطاقة | 0.5 | W | ||||
| تموج | من الذروة إلى الذروة | 100 | mV | |||
| وقت بدء التشغيل | 2 | s | ||||
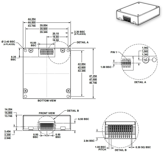
| الخصائص الهيكلية | مقاس | 47.0 × 44.0 × 14.0 | mm | |||
| وزن | 50 | g | ||||
| بيئة التشغيل | درجة حرارة التشغيل | -40 | 80 | ℃ | ||
| درجة حرارة التخزين | -55 | 85 | ℃ | |||
| اهتزاز | 10-2000 هرتز، 6.06 غرام | |||||
| صدمة | 30 غرام، 11 مللي ثانية | |||||
| التحميل الزائد | نصف موجة جيبية | 1000 غرام | ||||
| مصداقية | متوسط الوقت بين الأعطال | 20000 | h | |||
| ساعات عمل متواصلة | 120 | h | ||||
| ملاحظة: تمثل القيم النموذجية القيم الإحصائية 1σ لمجموعات متعددة من مؤشرات اختبار المنتج. | ||||||
عملية الإنتاج
أبعاد المنتج

سيناريوهات التطبيق
من -40 درجة مئوية إلى +80 درجة مئوية، U16488-Dتتيح معايرة/تعويض درجة الحرارة الكاملة إمكانية قياس ومعايرة الانحياز الصفري لجيروسكوب هذا المحور، وانحراف درجة الحرارة، وعامل المقياس بدقة عن طريق الإثارة الدورانية أحادية المحور.



التعليمات
Xml سياسة الخصوصية المدونة خريطة الموقع
حقوق النشر
@ شركة مايكرو ماجيك كل الحقوق محفوظة.
دعم الشبكة