نظام ملاحة بالقصور الذاتي عالي الدقة يعمل بالألياف الضوئية، مزود بهوائي مزدوج GNSS+INS RTK للطائرات بدون طيار والسفن والمركبات
يحتوي هذا المنتج على جيروسكوب ألياف بصرية ثلاثي المحاور عالي الدقة مدمج، ومقياس تسارع كوارتز مرن ثلاثي المحاور عالي الدقة، وجهاز استقبال GNSS متعدد الأوضاع والترددات بمستوى المسح المتنقل، يدعم وظيفة بيدو المستقلة. وبفضل خوارزمية الملاحة الذكية المتقدمة المدمجة مع مرشح كالمان، تم تحسينه للتعامل مع حجب إشارات GNSS وتداخل المسارات المتعددة، ويمكنه تحقيق قياسات عالية الدقة للاتجاه والوضع والسرعة والموقع للمركبات المتحركة.
يحتوي نظام الملاحة بالقصور الذاتي هذا أيضًا على واجهات استشعار متعددة مثل GNSS/عداد المسافات/DVL/مقياس الارتفاع البارومتري، والذي يمكنه تلبية متطلبات تطبيقات الملاحة طويلة المدى وعالية الدقة وعالية الموثوقية في البيئات المعقدة مثل الوديان الحضرية، ويمكن استخدامه للملاحة والتحكم في مختلف الأنظمة غير المأهولة.
تشمل ميزات المنتج: تحديد سريع ودقيق للاتجاه والوضع الأوليين، ودعم إخراج الاتجاه والوضع في الوقت الفعلي، وجهاز استقبال مدمج ثنائي الوضع GPS وBeidou، ودعم المحاذاة الديناميكية السريعة، وتصميم متكامل يجمع بين نظام الملاحة بالقصور الذاتي ونظام الملاحة العالمي عبر الأقمار الصناعية، ودعم المعالجة اللاحقة لبيانات IE، وخوارزمية مرشح كالمان محسّنة، ومقاومة للتداخل الكهرومغناطيسي والاهتزازات. يمكن استخدامه في المركبات، والطائرات، والملاحة البحرية، والتحكم في الثبات، وغيرها من المجالات.
رقم القطعة، :
IF3600الطلب (الحد الأدنى للكمية) :
1سلسلة المنتجات والمعايير
| دقة الملاحة المتكاملة INS/GNSS | ||||
| دقة الموقف | الاتجاه: ≤0.02° (1σ) | |||
| الميل/الدوران: ≤0.005° (1σ) | ||||
| دقة تحديد الموقع | تحديد الموقع بنقطة واحدة: ≤2 متر (50% CEP) | |||
| RTK: ≤2 سم + 1 جزء في المليون (50% CEP) | ||||
| دقة السرعة | ≤0.02 م/ث (1σ) | |||
| وقت المحاذاة | يبدأ بعد الحصول على خط العرض وخط الطول والارتفاع. مدة المحاذاة: ≤ 5 دقائق. | |||
| دقة متكاملة لنظام الملاحة بالقصور الذاتي/عداد المسافات/رخصة قيادة المركبات | 0.25% × المسافة المقطوعة (تعتمد على دقة عداد المسافات أو رخصة القيادة الرقمية) | |||
| دقة الملاحة بالقصور الذاتي الخالص | ||||
| دقة الموقف | محاذاة السمت: .10.1 درجة ثانية (Φ) (1σ، Φ: خط العرض المحلي) | |||
| المحاذاة الأفقية: ≤0.008° (1σ) | ||||
| صيانة السمت: 0.03 درجة/ساعة (1σ) | ||||
| الصيانة الأفقية: 0.02 درجة/ساعة (1σ) | ||||
| دقة تحديد الموقع | ≤1 ميل بحري/ساعة (50% CEP) | |||
| الخصائص الرئيسية للمكون | ||||
| جيروسكوب | يتراوح | ±500 درجة/ثانية | استقرار الانحياز | 0.03 درجة/ساعة (1σ) |
| مقياس التسارع | يتراوح | ±20 غرام | استقرار الانحياز | ≤20 ميكروغرام (1σ) |
| الخصائص الفيزيائية | خصائص الواجهة | |||
| جهد مصدر الطاقة | 24 فولت تيار مستمر اسمي (12-32 فولت تيار مستمر) | نوع الواجهة | 4 منافذ تسلسلية (RS232/RS422) | |
| استهلاك الطاقة | <20 واط | الإشارات المدعومة: PPS، مدخلات/مخرجات EVENTMARK | ||
| درجة حرارة التشغيل | من -40 درجة مئوية إلى +60 درجة مئوية | معدل النقل | 9600–921600 بت في الثانية (قابلة للتكوين) | |
| تصنيف الحماية | IP65 | أوضاع المستخدم | ||
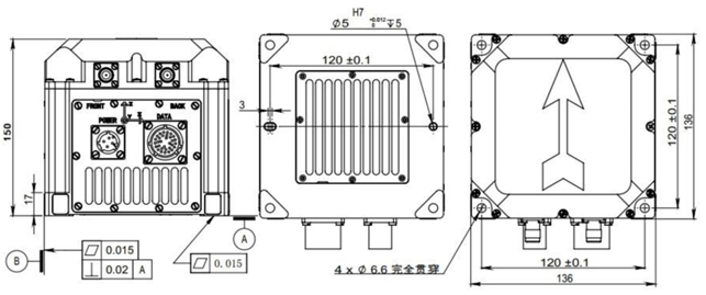
| أبعاد | ≤136 مم × 136 مم × 150 مم | |||
| وزن | ≤3.8 كجم | محمول على المركبات (افتراضيًا)، محمول جوًا، محمول على السفن | ||
عملية الإنتاج
أبعاد المنتج

سيناريوهات التطبيق



التعليمات
Xml سياسة الخصوصية مدونة خريطة الموقع
حقوق الطبع والنشر @ شركة مايكرو ماجيك جميع الحقوق محفوظة.
الشبكة المدعومة