الأجهزة
- وحدة قياس القصور الذاتي عالية الأداء
- معايرة المصنع مع تعويض درجة الحرارة من -40 إلى 85 درجة مئوية، مع معايرة عامل المقياس والمحور المتقاطع والانحياز الصفري
- تصل نسبة عدم استقرار الجيروسكوب عند الانحياز الصفري إلى 2.5 درجة/ساعة
- تصل عدم استقرار مقياس التسارع عند الانحياز الصفري إلى 30 ميكروغرام
- واجهات متعددة مثل UART (TTL)/CAN
- مستشعر درجة حرارة مدمج
- عبوة صغيرة للتثبيت السطحي، سهلة الدمج
- شهادة RoHS وشهادة CE
- نظام RTK-GNSS كامل النطاق الترددي، مع تحديد الاتجاه باستخدام هوائي مزدوج
برمجة
- خوارزمية دمج كالمان الموسعة التكيفية، قادرة على إخراج يصل إلى 100 هرتز مع زمن استجابة منخفض
- هوائي مزدوج الاتجاه بزاوية 0.2 درجة وخط أساس 1 متر
- له تأثير ممتاز في كبح التسارع الخطي
- دقة التوقيت 20 نانوثانية
- تحديد الموقع بنقطة واحدة بدقة 1.5 متر
- دقة تحديد المواقع بتقنية RTK هي 1 سم
- دقة السرعة: 0.03 متر/ثانية
- وقت بدء التشغيل البارد < الثلاثينيات
- وقت بدء التشغيل السريع < 2s
- يدعم بروتوكولات متعددة مثل الثنائي، وNMEA، وJ1939، وغيرها
- تعليمات تكوين المستخدم الغنية
- واجهة مستخدم رسومية متعددة الوظائف، سهلة الاستخدام
- يدعم إجراءات متعددة مثل ROS و C
رقم القطعة، :
I3800الطلب (الحد الأدنى للكمية) :
11. مواصفات المنتج
معلمات نظام تحديد المواقع العالمي عبر الأقمار الصناعية

دقة الاندماج

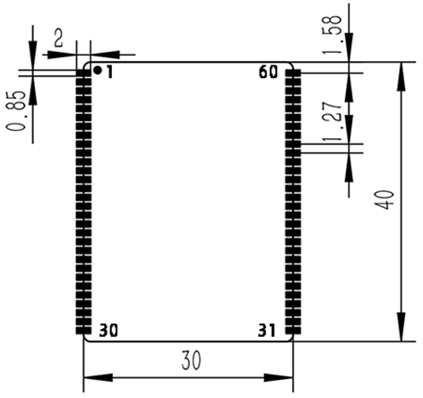
2. أبعاد المنتج


Xml سياسة الخصوصية المدونة خريطة الموقع
حقوق النشر
@ شركة مايكرو ماجيك كل الحقوق محفوظة.
دعم الشبكة