نظام الملاحة المتكامل بتقنية MEMS GNSS INS للطائرات بدون طيار والمركبات البحرية
يُعد نظام الملاحة المتكامل I3300 بتقنية MEMS نظامًا عالي الموثوقية وفعالًا من حيث التكلفة، وهو نظام ملاحة بالقصور الذاتي بتقنية MEMS، ويمكن استخدامه على نطاق واسع في مجالات الملاحة والتحكم والقياس، بما في ذلك المركبات والسفن والطائرات المسيّرة. يوفر هذا المنتج أوضاع تهيئة مختلفة، ويتضمن على وجه الخصوص جيروسكوبًا عالي الدقة على المحور Z لضمان دقة قياس الاتجاه لفترات طويلة.
رقم القطعة، :
I3300الطلب (الحد الأدنى للكمية) :
1سلسلة المنتجات والمعايير
| المعلمة | المؤشرات الفنية |
| جيروسكوب | |
| المدى (°/ثانية) | ±500 |
| انحياز صفري عند درجة الحرارة الكاملة (°/ساعة، 3σ) | ≤360 (X, Y), ≤60 (Z) |
| استقرار الانحياز الصفري (°/ساعة، 10 ثوانٍ) | ≤10 (XY)، ≤5 (Z) |
| عدم استقرار الانحياز الصفري (°/ساعة، ألان، نموذجي) | ≤2 (XY)، ≤0.5 (Z) |
| قابلية التكرار بدون انحياز (°/ساعة) | ≤10 (XY)، ≤5 (Z) |
| المشي العشوائي الزاوي (°/√h) | ≤0.25 |
| اللاخطية في عامل المقياس (جزء في المليون) | ≤100 |
| اقتران محوري متقاطع (راديان) | ≤0.001 |
| عرض النطاق الترددي (هرتز) | ≥100 |
| مقياس التسارع | |
| المدى (غ) | ±16 |
| انحياز صفري عند درجة الحرارة الكاملة (mg, 3σ) | ≤5 |
| استقرار الانحياز الصفري (ميكروغرام، 10 ثوانٍ) | ≤100 |
| عدم استقرار الانحياز الصفري (ميكروغرام، ألان، نموذجي) | ≤50 |
| تكرار التحيز الصفري (ug) | ≤100 |
| المشي العشوائي بالسرعة (مم/ث/√س) | ≤40 |
| اللاخطية في عامل المقياس (جزء في المليون، ±1 غرام) | ≤300 |
| اقتران محوري متقاطع (راديان) | 0.001 |
| عرض النطاق الترددي (هرتز) | ≥100 |
| دقة الملاحة المتكاملة | |
| الوضع الأفقي المركب (م، 1σ) | 3 أمتار (نقطة واحدة)، 0.02+1 جزء في المليون (RTK) |
| الموقع السماوي المجمع (م، 1σ) | 5 أمتار (نقطة واحدة)، 0.03+1 جزء في المليون (RTK) |
| السرعة الأفقية المركبة (م/ث، 1σ) | 0.1 |
| السرعة المئوية المركبة (م/ث، 1σ) | 0.15 |
| الاتجاه المدمج (°، 1σ، في الوقت الحقيقي) | 0.15 (خط أساس 1 متر هوائي مزدوج)، 0.5 (هوائي واحد، ديناميكي) |
| الوضع الأفقي المركب (°، 1σ، في الوقت الحقيقي) | 0.05 درجة (هوائي مزدوج)، 0.1 درجة (هوائي مفرد) |
| دقة الملاحة بالقصور الذاتي الخالص | |
| الوضع الأفقي (°، 1σ، في الوقت الحقيقي) | 0.05 درجة (ثابتة)، 0.5 درجة (ديناميكية) |
| الاتجاه (°، 1σ، في الوقت الحقيقي) | 0.5 درجة (ديناميكية) |
| دقة قياس العمق (سم) | 5 |
| دقة متكاملة بين نظام قياس المسافة بالقصور الذاتي ونظام قياس المسافة | ≤0.001 ديوبتر (60 ثانية) |
| واجهة كهربائية/ميكانيكية | |
| مصدر الطاقة (فولت) | 9~36 |
| القدرة في حالة الاستقرار (واط) | ≤3 |
| وقت بدء التشغيل (ثوانٍ) | ≤2 |
| واجهة الاتصال | قناة واحدة RS-422، قناة واحدة RS-232، قناة واحدة CAN |
| معدل التحديث (هرتز) | 200 (قابل للتخصيص) |
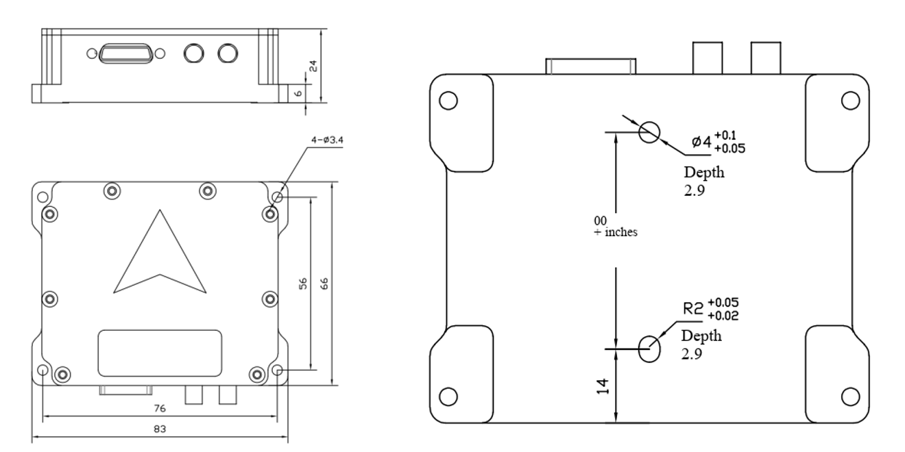
| الحجم (مم × مم × مم) | 83×66×24 |
| الوزن (غ) | 160±20 (الجسم الرئيسي) |
| بيئة التشغيل | |
| درجة حرارة التشغيل (درجة مئوية) | -40 إلى +80 |
| درجة حرارة التخزين (درجة مئوية) | -55 إلى +85 |
| الاهتزاز (g، RMS) | 20~2000 هرتز، 4.08 |
| صدمة (g) | 1000 غرام/1 مللي ثانية |
عملية الإنتاج
أبعاد المنتج

سيناريوهات التطبيق



التعليمات
س1. ما هو I3300؟
يُعدّ نظام I3300 نظام ملاحة بالقصور الذاتي متكامل عالي الأداء بتقنية MEMS، مصمم لتطبيقات الملاحة والتحكم والقياس في المركبات والسفن والطائرات المسيّرة وغيرها من المنصات. وهو يتميز بموثوقية عالية وفعالية من حيث التكلفة.
س2. ما هي الميزات الرئيسية لجهاز I3300؟
يوفر جهاز I3300 أداءً عاليًا، وحجمًا صغيرًا، ووزنًا خفيفًا، ودعمًا كاملًا لترددات نظام تحديد المواقع العالمي عبر الأقمار الصناعية (GNSS)، وواجهات غنية، وجيروسكوب عالي الدقة لمحور الانحراف، واستهلاكًا منخفضًا للغاية للطاقة، وتعويضًا كاملًا لدرجة الحرارة، وترقية البرامج عبر الإنترنت، وتعويض ذراع الرافعة، والتصحيح الذاتي في حالة عدم وجود إشارة GNSS، وتكامل RTK، وخوارزميات تقييد السرعة الصفرية/المركبة.
س3. ما هي التطبيقات التي يناسبها جهاز I3300؟
يُعد جهاز I3300 مناسبًا للطائرات بدون طيار والمركبات والسفن والقوارب والمسح ورسم الخرائط والمنصات الثابتة والمركبات تحت الماء والاتصالات أثناء التنقل والقيادة الذكية والتحكم المحمول بالصواريخ.
Xml سياسة الخصوصية مدونة خريطة الموقع
حقوق الطبع والنشر @ شركة مايكرو ماجيك جميع الحقوق محفوظة.
الشبكة المدعومة