نظام الملاحة المتكامل بتقنية MEMS GNSS INS لتحديد موقع الطائرات بدون طيار وقياس وضعها
يُعدّ نظام الملاحة المتكامل الصغير I3200 نظامًا متكاملًا قائمًا على تقنية الأنظمة الكهروميكانيكية الدقيقة (MEMS)، يتميز بصغر حجمه وانخفاض تكلفته، ويستهدف بشكل أساسي مجالات الملاحة والتحكم والقياس، لا سيما في الاتصالات المتنقلة والطائرات المسيّرة. يدمج هذا النظام بكفاءة عالية مستشعرات MEMS ورقائق استقبال الأقمار الصناعية كاملة التردد ضمن حجم صغير، مما يُمكّن من تحديد الموقع وقياس الاتجاه في حزمة مدمجة.
رقم القطعة، :
I3200الطلب (الحد الأدنى للكمية) :
1سلسلة المنتجات والمعايير
| المعلمة | المؤشرات الفنية |
| جيروسكوب | |
| المدى (°/ثانية) | ±300 |
| انحياز صفري عند درجة الحرارة الكاملة (°/ساعة، 3σ) | ≤360 |
| استقرار الانحياز الصفري (°/ساعة، 10 ثوانٍ) | ≤10 |
| عدم استقرار الانحياز الصفري (°/ساعة، ألان، نموذجي) | ≤3 |
| قابلية التكرار بدون انحياز (°/ساعة) | ≤10 |
| المشي العشوائي الزاوي (°/√h) | ≤0.3 |
| اللاخطية في عامل المقياس (جزء في المليون) | ≤100 |
| اقتران محوري متقاطع (راديان) | ≤0.001 |
| عرض النطاق الترددي (هرتز) | ≥100 |
| مقياس التسارع | |
| المدى (غ) | ±16 |
| انحياز صفري عند درجة الحرارة الكاملة (mg, 3σ) | ≤5 |
| استقرار الانحياز الصفري (ميكروغرام، 10 ثوانٍ) | ≤300 |
| عدم استقرار الانحياز الصفري (ميكروغرام، ألان، نموذجي) | ≤50 |
| تكرار التحيز الصفري (ug) | ≤300 |
| المشي العشوائي بالسرعة (م/ث/√س) | ≤50 |
| اللاخطية في عامل المقياس (جزء في المليون، ±1 غرام) | ≤300 |
| اقتران محوري متقاطع (راديان) | ≤0.001 |
| عرض النطاق الترددي (هرتز) | ≥100 |
| دقة الملاحة | |
| الوضع الأفقي المركب (م، 1σ) | 3 أمتار (نقطة واحدة) 0.02+1 جزء في المليون (RTK) |
| الموقع السماوي المجمع (م، 1σ) | 5 أمتار (نقطة واحدة) 0.03+1 جزء في المليون (RTK) |
| السرعة الأفقية المركبة (م/ث، 1σ) | 0.1 |
| السرعة الكلية المتجهة نحو السماء (م/ث، 1σ) | 0.15 |
| الاتجاه المدمج (°، 1σ، في الوقت الحقيقي) | 0.2 (هوائي مزدوج بخط أساس 1 متر) 0.5 (هوائي واحد، ديناميكي) |
| الوضع الأفقي المركب (°، 1σ، في الوقت الحقيقي) | 0.1 درجة (هوائي مزدوج) 0.2 درجة (هوائي واحد) |
| واجهة كهربائية/ميكانيكية | |
| مصدر الطاقة (فولت) | 5V |
| القدرة في حالة الاستقرار (واط) | ≤0.5 |
| وقت بدء التشغيل (ثوانٍ) | ≤3 |
| واجهة الاتصال | أورات |
| معدل التحديث (هرتز) | 100 |
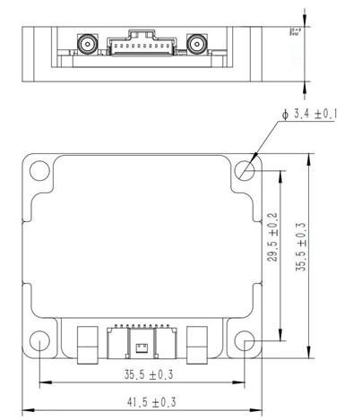
| الحجم (مم × مم × مم) | 41.5×35.5×9.5 |
| الوزن (غ) | أقل من 30 |
| بيئة التشغيل | |
| درجة حرارة التشغيل (درجة مئوية) | -40 إلى +80 |
| درجة حرارة التخزين (درجة مئوية) | -55 إلى +85 |
| الاهتزاز (g، RMS) | 20~2000 هرتز، 6.06 |
| صدمة (g) | 1000 غرام/1 مللي ثانية |
| مصداقية | |
| MTBF(h) | 10000 |
عملية الإنتاج
أبعاد المنتج

سيناريوهات التطبيق



التعليمات
س1. ما هو I3200؟
يُعدّ نظام I3200 نظام ملاحة بالقصور الذاتي متكامل عالي الأداء بتقنية MEMS. فهو يجمع بين مستشعرات القصور الذاتي بتقنية MEMS وجهاز استقبال GNSS كامل التردد في تصميم صغير الحجم، وهو مناسب لتطبيقات الملاحة والتحكم والقياس.
س2. ما هي الميزات الرئيسية لجهاز I3200؟
يتميز جهاز I3200 بالأداء العالي والحجم الصغير والوزن المنخفض واستهلاك الطاقة المنخفض للغاية وتعويض معايرة درجة الحرارة الكاملة وخوارزمية الوضع التكيفية الاختيارية وتعويض ذراع الرافعة وترقية البرامج عبر الإنترنت وقدرة تصحيح الوضع الذاتي في حالة عدم وجود نظام GNSS ودعم تكامل RTK.
س3. ما هي التطبيقات التي يناسبها جهاز I3200؟
يُعد جهاز I3200 مناسبًا للاتصال أثناء الحركة، وتحديد الموقع والاتجاه للطائرات بدون طيار والمركبات والسفن والقوارب، والتحكم في الاتجاه، وتطبيقات الأنظمة غير المأهولة الأخرى.
Xml سياسة الخصوصية مدونة خريطة الموقع
حقوق الطبع والنشر @ شركة مايكرو ماجيك جميع الحقوق محفوظة.
الشبكة المدعومة