نظام ملاحة متكامل بتقنية MEMS GNSS/INS | هوائي مزدوج لتحديد الاتجاه بدقة 0.05 درجة | RTK بدقة 1 سم | 200 هرتز | RS422/CAN
يحتوي جهاز I5000 على وحدة GNSS عالية الدقة ووحدة قياس بالقصور الذاتي (IMU) معايرة من المصنع، مما يُمكّنه من توفير معلومات دقيقة باستمرار حول الموقع والسرعة والاتجاه بتردد عالٍ. حتى في الظروف الصعبة كالشوارع الحضرية الضيقة والمناطق المظللة والأنفاق، يحافظ جهاز I5000 على موثوقية عالية بفضل خوارزميات متعددة مثل مرشح كالمان متعدد المصادر.
ميزات المنتج
⚪ يدعم نقاط الترددات المتعددة لأنظمة بيدو، ونظام تحديد المواقع العالمي (GPS)، ونظام غلوناس، ونظام غاليليو، ونظام QZSS، ويدعم نظام بيدو-3 للأقمار الصناعية
⚪ تمت معايرة وحدات القياس بالقصور الذاتي في المصنع
⚪ محاذاة ثابتة/ديناميكية تكيفية
⚪ واجهة معلومات حركة المركبة العالمية القابلة للتكوين (مثل ODM)
⚪ التعويض التكيفي لأخطاء تثبيت النظام وأخطاء مقياس ODM
⚪ يمكن أن تصل دقة تحديد الموقع الأفقي إلى 0.2%×D مع انقطاع نظام GNSS①
طلب
⚪ القيادة الذاتية
⚪ استقرار المنصة والتحكم بها
⚪ الآلات المؤتمتة
⚪ التحكم في الروبوت
رقم القطعة، :
I5000الطلب (الحد الأدنى للكمية) :
1سلسلة المنتجات والمعايير
| حدود | عادي | وصف | |
| وقت البدء | وقت محاذاة الملاحة المتكاملة | <الستينيات | هوائيان مزدوجان في سماء مفتوحة |
| بما في ذلك بدء التشغيل البارد لمدة 30 ثانية، ووقت تهيئة RTK لمدة 5 ثوانٍ | |||
| تتبع إشارات الأقمار الصناعية | نقطة التردد | بي دي إس B1I/B2I/B3I، نظام تحديد المواقع L1/L2/L5 | |
| غلوناس L1/L2، غاليليو E1 // E5a/E5b | |||
| دقة العنوان | نظام تحديد المواقع العالمي عبر الأقمار الصناعية (GNSS) فعال | 0.05 درجة | هوائي مزدوج بقاعدة طولها متران؛ هوائي مفرد يتطلب محاذاة ديناميكية |
| حافظ على الدقة | 0.1 درجة مئوية/دقيقة | عطل في نظام تحديد المواقع العالمي عبر الأقمار الصناعية (GNSS) | |
| دقة الموقف | نظام تحديد المواقع العالمي عبر الأقمار الصناعية (GNSS) فعال | 0.08 درجة | RTK/نقطة واحدة بتردد مزدوج |
| حافظ على الدقة | 0.1 درجة | انقطاع خدمة نظام تحديد المواقع العالمي عبر الأقمار الصناعية (GNSS) لمدة 5 دقائق، مع نظام إدارة البيانات (ODM). | |
| دقة تحديد المواقع الأفقية | نظام تحديد المواقع العالمي عبر الأقمار الصناعية (GNSS) فعال | 1.2 متر | نقطة واحدة بتردد مزدوج |
| 1 سم + 1 جزء في المليون | RTK | ||
| حافظ على الدقة | 0.2% *D | باستخدام عداد المسافات، بسرعة 60 كم/ساعة، خلال 120 ثانية | |
| دقة السرعة الأفقية | نظام تحديد المواقع العالمي عبر الأقمار الصناعية (GNSS) فعال | 0.03 م/ث | |
| دقة خدمة الوقت | نظام تحديد المواقع العالمي عبر الأقمار الصناعية (GNSS) فعال | 20 نانوثانية | |
| جيروسكوب | يتراوح | ±320 درجة/ثانية | |
| عدم استقرار الانحياز | 0.8 درجة مئوية/ساعة | تباين ألان | |
| عامل المقياس غير خطي | 100 جزء في المليون | ||
| مقياس التسارع | يتراوح | ±18 غرام | |
| عدم استقرار الانحياز | 20 ميكروغرام | تباين ألان | |
| عامل المقياس غير خطي | 200 جزء في المليون | ±1 غرام | |
| تردد الخرج | نتيجة نظام تحديد المواقع العالمي عبر الأقمار الصناعية (GNSS) | 10 هرتز | معلومات الموقع/ السرعة/ الاتجاه/ البيانات الأصلية |
| البيانات الأصلية لوحدة القياس بالقصور الذاتي | 200 هرتز | ||
| نتيجة الهجرة والتجنيس | 200 هرتز | ||
| الخصائص الكهربائية | واجهة الاتصال | RS-422*1 | |
| RS-232*2 | 1 لنظام الملاحة بالقصور الذاتي (INS)، 1 لنظام الملاحة العالمي عبر الأقمار الصناعية (GNSS) | ||
| PPS*1 | |||
| الحدث*1 | |||
| CAN*2 | |||
| الجهد االكهربى | 9 ~ 36 فولت تيار مستمر | ||
| استهلاك الطاقة | ≤ 2 واط | ||
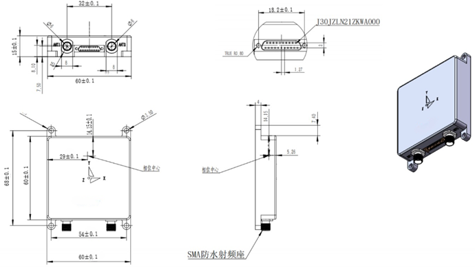
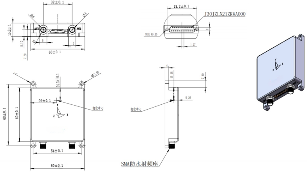
| الخصائص الميكانيكية | مقاس | 60 × 60 × 15 مم | بما في ذلك أبعاد الموصلات <75 × 60 × 15 مم |
| وزن | ≤ 90 غرام | ||
| خصائص البيئة | درجة حرارة التشغيل | -40 درجة مئوية ~ +75 درجة مئوية | |
| درجة حرارة التخزين | -55 درجة مئوية ~ +85 درجة مئوية | ||
| اهتزاز | 6.06 غرام (20~2000 هرتز) | ||
| صادم | 40 غ/11 م | ||
| ملحوظة: | |||
| ① المؤشرات التي لا تستخدم أساليب إحصائية هي إحصاءات RMS | |||
عملية الإنتاج
أبعاد المنتج

سيناريوهات التطبيق



التعليمات
Xml سياسة الخصوصية مدونة خريطة الموقع
حقوق الطبع والنشر @ شركة مايكرو ماجيك جميع الحقوق محفوظة.
الشبكة المدعومة