كنوع جديد من الجيروسكوبات الصلبة بالكامل، جيروسكوب الألياف البصرية يتميز جهاز الجيروسكوب أحادي المحور G-F98H ذو الألياف الضوئية متوسطة وعالية الدقة بمزايا عديدة، منها سرعة التشغيل، ونطاق القياس الواسع، والموثوقية العالية. ويمكن استخدامه في تطبيقات أنظمة الملاحة بالقصور الذاتي عالية الدقة، مثل تحديد المواقع على الأرض، وتحديد اتجاه المركبات، وتحديد وضعية الملاحة الجوية، والجيروسكوب البحري. تنطبق هذه المواصفات فقط على منتجات من نوع G-F98H، وتشمل مؤشرات الأداء والشروط الفنية والأبعاد الخارجية والتركيب والاستخدام. ومن بين هذه الشروط الفنية، النطاق البيئي والأداء الكهربائي والخصائص الفيزيائية للمنتج.
رقم القطعة، :
G-F98Hالطلب (الحد الأدنى للكمية) :
1موصل :
RS422مستوى الحماية :
IP67سلسلة المنتجات والمعايير
| G-F98H-A | G-F98H-B | G-F98H-C | وحدة | |
| استقرار الانحياز الصفري | ≤0.015 | ≤0.015 | ≤0.010 | °/ساعة (1σ، 10 ثوانٍ) |
| وقت الاستقرار | <10 | <10 | <10 | s |
| قابلية التكرار بدون انحياز | ≤0.015 | ≤0.015 | ≤0.010 | °/ساعة (1σ) |
| قابلية التكرار عند درجة حرارة كاملة بدون انحياز | ≤0.05 | ≤0.05 | ≤0.03 | °/ساعة |
| معامل المشي العشوائي | ≤0.002 | ≤0.001 | ≤0.001 | °/ |
| عامل مقياس اللاخطية | ≤10 | ≤10 | ≤10 | جزء في المليون (1σ) |
| عامل مقياس التكرارية | ≤20 | ≤10 | ≤10 | جزء في المليون (1σ) |
| قابلية تكرار عامل مقياس درجة الحرارة الكاملة | ≤200 | ≤50 | ≤50 | جزء في المليون |
| النطاق الديناميكي | ±500 | °/s | ||
| حساسية المجال المغناطيسي | ≤0.02 | °/ساعة/جيثانية | ||
| درجة حرارة التشغيل | -50~+70 | ℃ | ||
| درجة حرارة التخزين | -50~+70 | ℃ | ||
عملية الإنتاج
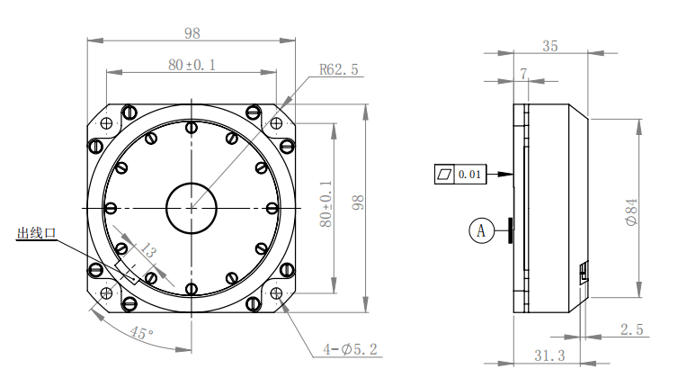
أبعاد المنتج

الرسم البياني 2: الأبعاد الخارجية لـ G-F98H
سيناريوهات التطبيق



التعليمات
Xml سياسة الخصوصية مدونة خريطة الموقع
حقوق الطبع والنشر @ شركة مايكرو ماجيك جميع الحقوق محفوظة.
الشبكة المدعومة