كنوع جديد من الجيروسكوبات الصلبة بالكامل، جيروسكوب الألياف البصرية يتميز جهاز الجيروسكوب أحادي المحور G-F70ZKH ذو الألياف الضوئية متوسطة وعالية الدقة بمزايا عديدة، منها سرعة التشغيل، ونطاق القياس الواسع، والموثوقية العالية. ويمكن استخدامه في تطبيقات أنظمة الملاحة بالقصور الذاتي عالية الدقة، مثل تحديد المواقع على الأرض، وتحديد اتجاه المركبات، وتحديد وضعية الملاحة الجوية، والجيروسكوب البحري. تنطبق هذه المواصفات فقط على منتجات من نوع G-F70ZKH، وتشمل مؤشرات الأداء والشروط الفنية والأبعاد الخارجية والتركيب والاستخدام. ومن بين هذه الشروط الفنية، النطاق البيئي والأداء الكهربائي والخصائص الفيزيائية للمنتج.
رقم القطعة، :
G-F70ZKHالطلب (الحد الأدنى للكمية) :
1موصل :
RS422مستوى الحماية :
IP67سلسلة المنتجات والمعايير
| استقرار الانحياز الصفري | ≤0.05 درجة مئوية/ساعة (1σ، 10 ثوانٍ) | اختبار متواصل لمدة ساعتين، نتائج سلسة خلال 10 ثوانٍ |
| وقت الاستقرار | أقل من 100 ثانية | |
| قابلية التكرار بدون انحياز | ≤0.05 درجة مئوية/ساعة (1σ) | 6 نتائج حساب بيانات الاختبار |
| معامل المشي العشوائي | ≤0.005 °/ | |
| عامل مقياس اللاخطية | ≤20 جزء في المليون (1σ) | درجة حرارة الغلاف الجوي العادية |
| عامل مقياس التكرارية | ≤20 جزء في المليون (1σ) | درجة حرارة الغلاف الجوي العادية |
| قابلية تكرار عامل مقياس درجة الحرارة الكاملة | ≤300 جزء في المليون (1σ) | -40 درجة مئوية إلى +60 درجة مئوية |
| النطاق الديناميكي | ±500 درجة/ثانية | |
| حساسية المجال المغناطيسي | ≤0.05 درجة مئوية/ساعة/جيثانية | |
| درجة حرارة التشغيل | -40 درجة مئوية إلى +70 درجة مئوية | |
| درجة حرارة التخزين | -50 درجة مئوية إلى +70 درجة مئوية | |
| ظروف الاهتزاز | 4.2 غرام، 20 هرتز ~ 2000 هرتز | لا يوجد رنين في اهتزاز التردد المتغير |
عملية الإنتاج
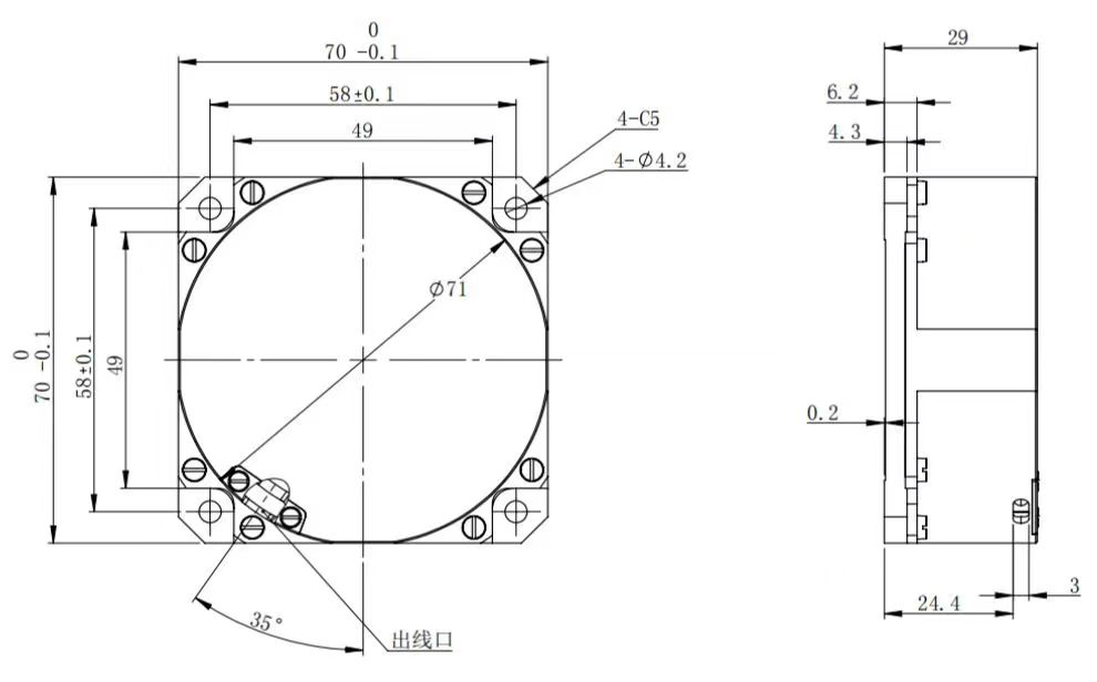
أبعاد المنتج

الرسم البياني 2: الأبعاد الخارجية لـ G-F70ZKH
سيناريوهات التطبيق



التعليمات
Xml سياسة الخصوصية مدونة خريطة الموقع
حقوق الطبع والنشر @ شركة مايكرو ماجيك جميع الحقوق محفوظة.
الشبكة المدعومة