يتميز الجيروسكوب البصري الجديد ذو الحالة الصلبة بالكامل بمزايا بدء التشغيل السريع، ونطاق القياس الواسع، والموثوقية العالية. سلسلة G-F98HA أحادية المحور متوسطة وعالية الدقة. الجيروسكوبات الليفية البصرية يمكن تطبيقها على متطلبات تطبيقات أنظمة الملاحة بالقصور الذاتي متوسطة إلى عالية الدقة مثل تحديد المواقع والاتجاهات البرية، وأجهزة تحديد الشمال المثبتة على المركبات، وتحديد اتجاه وميل الاتجاه المحمول جواً، والبوصلات الجيروسكوبية البحرية.
رقم القطعة، :
G-F98HAالطلب (الحد الأدنى للكمية) :
1موصل :
RS422مستوى الحماية :
IP67سلسلة المنتجات والمعايير
| G-F98HA-A | G-F98HA-B | G-F98HA-C | وحدة | |
| استقرار الانحياز الصفري | ≤0.015 | ≤0.015 | ≤0.010 | °/ساعة (1σ، 10 ثوانٍ) |
| أوقات الاستقرار (ثانية) | <10 | <10 | <10 | |
| قابلية التكرار بدون انحياز | ≤0.015 | ≤0.015 | ≤0.010 | °/ساعة (1σ) |
| قابلية التكرار عند درجة حرارة كاملة بدون انحياز | ≤0.10 | ≤0.05 | ≤0.05 | °/ساعة |
| معامل المشي العشوائي | ≤0.002 | ≤0.001 | ≤0.001 | |
| عامل مقياس اللاخطية | ≤10 | ≤10 | ≤10 | جزء في المليون (1σ) |
| عامل مقياس التكرارية | ≤20 | ≤10 | ≤10 | جزء في المليون (1σ) |
| قابلية تكرار عامل مقياس درجة الحرارة الكاملة | ≤200 | ≤100 | ≤80 | جزء في المليون |
| النطاق الديناميكي | ±500 | °/s | ||
| حساسية المجال المغناطيسي | ≤0.02 | °/ساعة/جيثانية | ||
| درجة حرارة التشغيل | -40 إلى +70 | ℃ | ||
| درجة حرارة التخزين | -50 إلى +70 | ℃ |
عملية الإنتاج
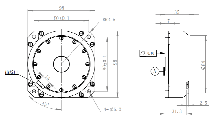
أبعاد المنتج

الرسم البياني 2: الأبعاد الخارجية لـ G-F98HA
سيناريوهات التطبيق



التعليمات
Xml سياسة الخصوصية مدونة خريطة الموقع
حقوق الطبع والنشر @ شركة مايكرو ماجيك جميع الحقوق محفوظة.
الشبكة المدعومة