كنوع جديد من الجيروسكوبات الصلبة بالكامل، جيروسكوب الألياف البصرية يتميز جهاز الجيروسكوب G-F2X70 ثنائي المحور متوسط الدقة المصنوع من الألياف الضوئية بمزايا التشغيل السريع، ونطاق القياس الواسع، والموثوقية العالية. ويمكن استخدامه في منصات تثبيت السفن، ورؤوس التوجيه، وحاويات الرافعات، وغيرها من المجالات. تنطبق هذه المواصفات فقط على منتجات من نوع G-F2X70، وتشمل مؤشرات الأداء والشروط الفنية والأبعاد الخارجية والتركيب والاستخدام. ومن بين هذه الشروط الفنية، النطاق البيئي والأداء الكهربائي والخصائص الفيزيائية للمنتج.
رقم القطعة، :
G-F2X70الطلب (الحد الأدنى للكمية) :
1موصل :
RS422مستوى الحماية :
IP67سلسلة المنتجات والمعايير
| استقرار الانحياز الصفري | ≤0.20 | °/ساعة (1σ، 10 ثوانٍ) اختبار متواصل لمدة ساعتين، نتائج سلسة خلال 10 ثوانٍ |
| وقت الاستقرار | أقل من 100 | s |
| قابلية التكرار بدون انحياز | ≤0.20 | °/ساعة (1σ) نتائج 3 بيانات اختبار |
| دقة | ≤0.20 | °/ساعة (1σ) |
| معامل المشي العشوائي | ≤0.02 | °/ |
| قابلية التكرار عند درجة حرارة كاملة بدون انحياز | ≤0.50 | °/ساعة |
| عامل مقياس اللاخطية (في ظل درجة الحرارة العادية) | ≤20 | جزء في المليون (1σ) |
| عامل مقياس التكرارية (في ظل درجة الحرارة العادية) | ≤50 | جزء في المليون (1σ) |
| النطاق الديناميكي | ±400 | °/s |
| عرض النطاق الترددي | ≥500 | Hz |
| درجة حرارة التشغيل | -40 إلى +65 | ℃ |
| درجة حرارة التخزين | -50 إلى +70 | ℃ |
| ظروف الاهتزاز | 4.2 غرام، 20-2000 | Hz |
عملية الإنتاج
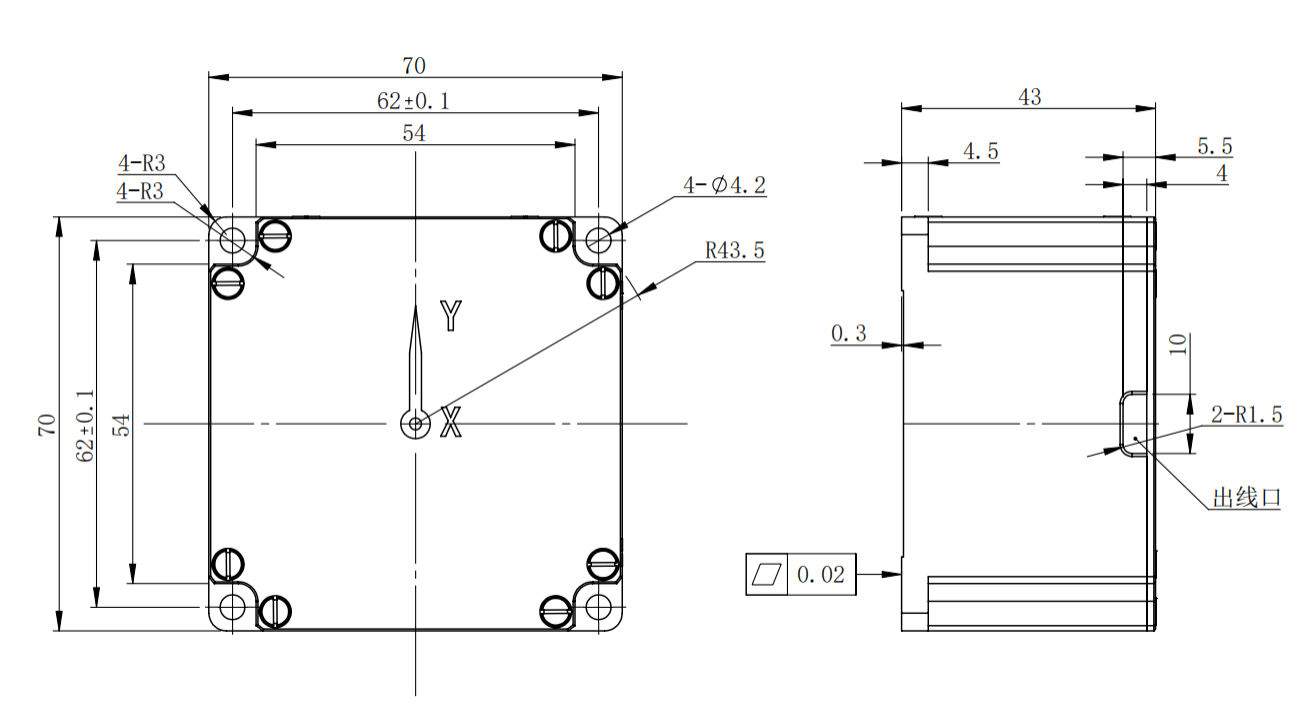
أبعاد المنتج
الأبعاد الكلية: 70 مم × 70 مم × 43 مم، حجم التركيب: أربعة ثقوب 62 مم × 62 مم، براغي التركيب: 4 براغي M3، الشكل وأبعاد التركيب موضحة في الشكل 2.

الشكل 2: الأبعاد الخارجية لـ G-F2X70
سيناريوهات التطبيق



التعليمات
Xml سياسة الخصوصية مدونة خريطة الموقع
حقوق الطبع والنشر @ شركة مايكرو ماجيك جميع الحقوق محفوظة.
الشبكة المدعومة