نظام الملاحة بالقصور الذاتي باستخدام جيروسكوب الألياف الضوئية - نظام الملاحة بالقصور الذاتي للطائرات
UF100A مجموعة الألياف البصرية بالقصور الذاتي وحدة قياس القصور الذاتي (IMU) متوسطة الدقة وصغيرة الحجم، كما هو موضح في الشكل 1. تُستخدم هذه الوحدة لرصد السرعة الزاوية والتسارع الخطي لحركة المركبة، مما يوفر معلومات للتحكم في وضعية المركبة وملاحتها. تتميز بصغر حجمها وخفة وزنها وعدم وجود أجزاء متحركة فيها، بالإضافة إلى موثوقيتها العالية وعمرها التشغيلي الطويل. ويمكن استخدامها على نطاق واسع في مجالات الطيران والفضاء والسفن والأسلحة وقياسات مناجم الفحم وإلكترونيات السيارات وغيرها.
رقم القطعة، :
UF100Aالطلب (الحد الأدنى للكمية) :
1سلسلة المنتجات والمعايير
| حدود | وحدة | متطلبات |
| جيروسكوب | ||
| استقرار الانحياز الصفري (1σ) | °/ساعة | ≤0.2 |
| قابلية التكرار بدون انحياز (1σ) | °/ساعة | ≤0.2 |
| معامل المشي العشوائي | °/ h1/2 | ≤0.04 |
| اللاخطية في عامل المقياس | جزء في المليون | ≤100 |
| عدم تناظر عامل المقياس | جزء في المليون | ≤100 |
| قابلية تكرار عامل المقياس | جزء في المليون | ≤50 |
| نطاق القياس | °/s | -300~+300 |
| عرض النطاق الترددي | هرتز | ≥300 |
| القدرة على التمييز | °/ساعة | ≤0.1 |
| عتبة | °/ساعة | ≤0.1 |
| مقياس التسارع | ||
| استقرار الانحياز الصفري | ز | ≤5*10-4 |
| عرض النطاق الترددي | هرتز | ≥300 |
| نطاق القياس | ز | -10 ~ +10 |
| معايير أخرى | ||
| وزن | ز | 820±50 |
| درجة حرارة التشغيل | درجة مئوية | -55 ~ +70 |
| درجة حرارة التخزين | درجة مئوية | -55 ~ +70 |
عملية الإنتاج
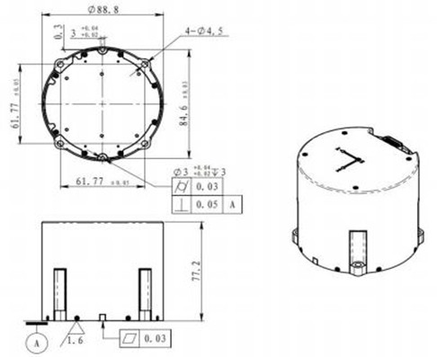
أبعاد المنتج

سيناريوهات التطبيق



التعليمات
Xml سياسة الخصوصية مدونة خريطة الموقع
حقوق الطبع والنشر @ شركة مايكرو ماجيك جميع الحقوق محفوظة.
الشبكة المدعومة