نظام الملاحة بالقصور الذاتي للطائرات بتقنية الجيروسكوب الليفي البصري مع مستشعر IMU الليفي
جيروسكوب الألياف البصريةيتميز الجيروسكوب الجديد، المصنوع بالكامل من مواد صلبة، بسرعة التشغيل، ونطاق قياس واسع، وموثوقية عالية. ومن بين مكوناته، صُمم جيروسكوب الألياف الضوئية U-F3X90 IMU (وحدة القياس بالقصور الذاتي) لتلبية احتياجات التطبيقات متوسطة ومنخفضة الدقة، باستخدام تقنية المحاور الثلاثة المشتركة، بتكلفة منخفضة وأداء مستقر. يتميز الجيروسكوب بتصميم متكامل يجمع بين مسار الضوء والدائرة الكهربائية، مما يجعله سهل التركيب. ويمكن استخدامه في أنظمة الملاحة والتوجيه، وقياس الوضع، والتحكم في الصواريخ الصغيرة والقنابل الموجهة.
رقم القطعة، :
U-F3X90الطلب (الحد الأدنى للكمية) :
1سلسلة المنتجات والمعايير
| U-F3X90-H | U-F3X90-M | وحدة | |
| جيروسكوب الألياف البصرية | |||
| استقرار بدون انحياز (في درجة حرارة الغرفة) | ≤0.10 | ≤0.20 | °/ساعة |
| قابلية التكرار بدون تحيز (تحت درجة حرارة معينة، خطوة بخطوة، يومًا بعد يوم) | ≤0.10 | ≤0.20 | °/ساعة |
| عامل المقياس للتكرارية (في درجة حرارة الغرفة) | ≤30 | ≤50 | جزء في المليون |
| عامل مقياس عدم التناظر (تحت درجة حرارة معينة) | ≤30 | ≤50 | جزء في المليون |
| عامل قياس اللاخطية (تحت درجة حرارة معينة) | ≤30 | ≤50 | جزء في المليون |
| عتبة | ≤0.20 | °/ساعة | |
| النطاق الديناميكي للسرعة الزاوية | ±500 | °/s | |
| عرض النطاق الترددي | ≥200 | Hz | |
| الأبعاد | 90**90*78 | mm | |
| الوزن (بما في ذلك مقياس التسارع) | 850±50 | g | |
| درجة حرارة التشغيل | -40 إلى +65 | ℃ | |
| مواصفة | وحدة | |
| مقياس تسارع كوارتزي | ||
| يتراوح | ≥±30 | g |
| معامل درجة الحرارة لعامل المقياس | ≤100 | جزء في المليون/درجة مئوية |
| استقرار عامل المقياس شهريًا | ≤100 | جزء في المليون |
| قيمة الانحياز | ≤±7 | mg |
| معامل درجة حرارة الانحياز | ≤100 | ميكروغرام / درجة مئوية |
| الاستقرار الشهري الجزئي | ≤100 | μg |
| معامل اللاخطية من الدرجة الثانية | ≤100 | ميكروغرام / غرام 2 |
| زاوية التركيب | ≤200 | " |
| مظهر | لا توجد خدوش أو شقوق أو صدأ | |
عملية الإنتاج
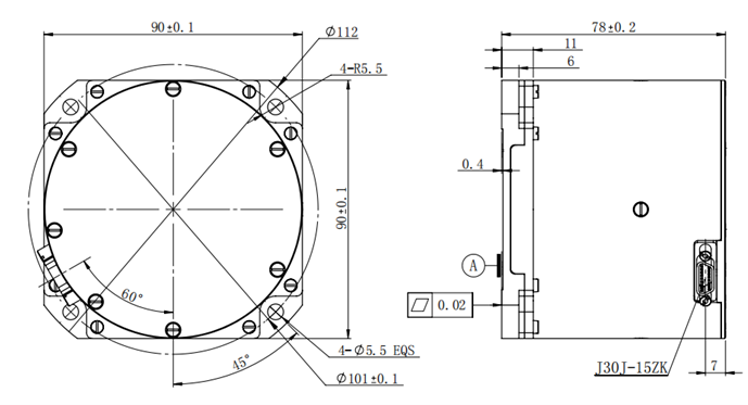
أبعاد المنتج

سيناريوهات التطبيق



التعليمات
Xml سياسة الخصوصية مدونة خريطة الموقع
حقوق الطبع والنشر @ شركة مايكرو ماجيك جميع الحقوق محفوظة.
الشبكة المدعومة