جيروسكوب الألياف الضوئية IMU وحدة قياس بالقصور الذاتي عالية الدقة مخرج رقمي RS422
جيروسكوب الألياف البصريةيتميز هذا الجيروسكوب، كونه نوعًا جديدًا من الجيروسكوبات الصلبة بالكامل، بسرعة التشغيل، ونطاق قياس واسع، وموثوقية عالية. ومن بين مكوناته، صُمم جيروسكوب الألياف الضوئية U-F3X100 IMU (وحدة القياس بالقصور الذاتي) لتلبية احتياجات التطبيقات متوسطة ومنخفضة الدقة، باستخدام تقنية المحاور الثلاثة المشتركة، بتكلفة منخفضة وأداء مستقر. ويعتمد هيكله على تغليف متكامل لمسار الضوء والدائرة الكهربائية، مما يجعله بسيط التركيب وسهل الاستخدام. ويمكن استخدامه في أنظمة الملاحة والتوجيه، وقياس الوضع، والتحكم في الصواريخ الصغيرة والقنابل الموجهة.
رقم القطعة، :
U-F3X100الطلب (الحد الأدنى للكمية) :
1سلسلة المنتجات والمعايير
| U-F3X100-H | U-F3X100-M | وحدة | |
| جيروسكوب الألياف البصرية | |||
| استقرار بدون انحياز (في درجة حرارة الغرفة) | ≤0.05 | ≤0.10 | °/ساعة |
| قابلية التكرار بدون تحيز (تحت درجة حرارة معينة، خطوة بخطوة، يوماً بعد يوم) | ≤0.05 | ≤0.10 | °/ساعة |
| s | ≤20 | ≤20 | جزء في المليون |
| عامل مقياس عدم التناظر (تحت درجة حرارة معينة) | ≤20 | ≤20 | جزء في المليون |
| عامل المقياس لللاخطية (تحت درجة حرارة معينة) | ≤30 | ≤30 | جزء في المليون) |
| عتبة | ≤0.10 | °/ساعة | |
| النطاق الديناميكي للسرعة الزاوية | ±500 | °/s | |
| عرض النطاق الترددي | ≥200 | Hz | |
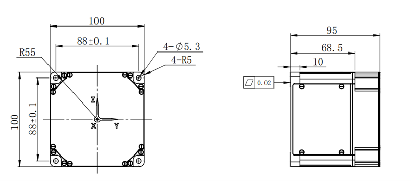
| الأبعاد | 100**100*95 | mm | |
| الوزن (بما في ذلك مقياس التسارع) | 1100±50 | g | |
| درجة حرارة التشغيل | -40 إلى +65 | ℃ | |
| مواصفة | وحدة | |
| مقياس تسارع كوارتزي | ||
| يتراوح | ≥±30 | g |
| معامل درجة الحرارة لعامل المقياس | ≤60 | جزء في المليون/درجة مئوية |
| استقرار عامل المقياس شهريًا | ≤60 | جزء في المليون |
| قيمة الانحياز | ≤±7 | mg |
| معامل درجة حرارة الانحياز | ≤60 | ميكروغرام / درجة مئوية |
| الاستقرار الشهري الجزئي | ≤60 | μg |
| معامل اللاخطية من الدرجة الثانية | ≤60 | ميكروغرام / غرام 2 |
| زاوية التركيب | ≤200 | " |
| مظهر | لا توجد خدوش أو شقوق أو صدأ | |
عملية الإنتاج
أبعاد المنتج

سيناريوهات التطبيق



التعليمات
Xml سياسة الخصوصية مدونة خريطة الموقع
حقوق الطبع والنشر @ شركة مايكرو ماجيك جميع الحقوق محفوظة.
الشبكة المدعومة