لوحة قياس الميل ثلاثية المحاور T700-B ذات خرج رقمي، بتقنية MEMS، بدقة ± 90°، تدعم بروتوكولات RS232 وRS485 وRS422 وTTL وCAN وModbus، ودقة 0.01°.
يُعدّ T700-B مخرجًا رقميًا (X، Y، Z). مستشعر ميل ثلاثي المحاور مزود بمحول تناظري/رقمي مدمج عالي الدقة 16 بت، ومن خلال خوارزمية ترشيح من الرتبة n، يُخرج قيم ميل المحاور X وY وZ. تتضمن واجهة الإخراج خيارات RS232 وRS485 وRS422 وTTL وModbus وCanopen. يُمكن للمنتج تصحيح انحراف درجة حرارة المستشعر بناءً على تغيرات درجة الحرارة التي يرصدها مستشعر الحرارة المدمج، لضمان دقة القياس في بيئات درجات الحرارة المنخفضة والعالية. تردد الإخراج 100 هرتز. يُعد هذا المنتج مثاليًا لمراقبة المباني الخطرة.
رقم القطعة، :
T700-Bالطلب (الحد الأدنى للكمية) :
1سلسلة المنتجات والمعايير
| المعلمة | شروط | T700-B-10 | T700-B-30 | T700-B-60 | T700-B-90 | وحدة |
| نطاق القياس | ±10 | ±30 | ±60 | ±90 | ° | |
| محور القياس | س، ص، ع | س، ص، ع | س، ص، ع | س، ص، ع | ||
| انحراف درجة الحرارة الصفرية | -40~85° | ±0.001 | ±0.001 | ±0.001 | ±0.001 | °/℃ |
| معامل درجة حرارة الحساسية | -40~85° | ≤100 | ≤100 | ≤100 | ≤100 | جزء في المليون/درجة مئوية |
| استجابة التردد | استجابة DC | 100 | 100 | 100 | 100 | Hz |
| دقة | 0.005 | 0.005 | 0.005 | 0.005 | ° | |
| دقة | -40 إلى 85 درجة مئوية | 0.01 | 0.02 | 0.03 | 0.05 | ° |
| استقرار طويل الأمد | -40 إلى 85 درجة مئوية | <0.013 | <0.022 | <0.031 | <0.054 | ° |
| وقت بدء التشغيل | 0.2 | s | ||||
| زمن الاستجابة | 0.01 | s | ||||
| معدل الإنتاج | يمكن ضبط الترددات على 5 هرتز، 15 هرتز، 35 هرتز، 50 هرتز، 100 هرتز (لا تحتوي RS485 على هذه الوظيفة) | |||||
| إشارة الخرج | يمكن ضبط RS232/RS485/RS422/TTL/PWM/CAN/Modbus | |||||
| متوسط ساعات العمل | ≥45000 ساعة/وقت | |||||
| مقاومة الصدمات | 20000 غرام، 0.5 مللي ثانية، 3 مرات/محور | |||||
| مضاد للاهتزاز | 10 غرامات، 10-1000 هرتز | |||||
| مقاومة العزل | ≥100 ميجا أوم | |||||
| مستوى مقاومة الماء | IP66 | |||||
| كابل | كابل قياسي بطول 10 سم، مقاوم للتآكل، مقاوم للزيوت، يتحمل نطاقًا واسعًا من درجات الحرارة، ومحمي، 4 × 0.3 مم² | |||||
| وزن | 10 غرام (باستثناء علبة التغليف) | |||||
عملية الإنتاج
منتجات مشابهة أخرى

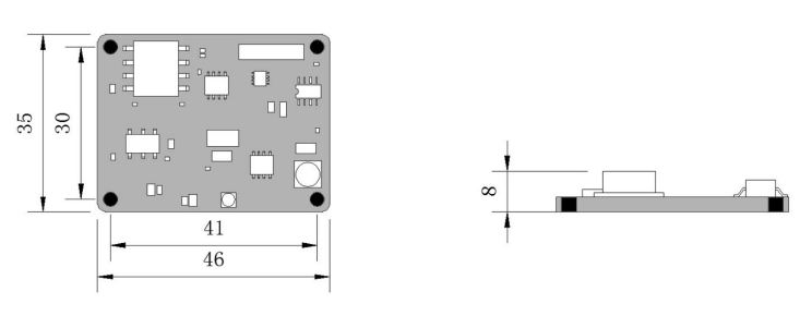
أبعاد المنتج

حجم المنتج: الطول 46 × العرض 35 × الارتفاع 8 ملم
الوضع الافتراضي هو التثبيت أفقيًا للأعلى: عند التثبيت، يجب أن يكون سطح تثبيت المستشعر موازيًا للسطح المستهدف المراد قياسه؛ يُرجى الرجوع إلى مخطط الدوران لمعرفة طرق التثبيت. في حال الحاجة إلى طرق تثبيت أخرى، يُرجى الرجوع إلى المخطط التوضيحي "طريقة تثبيت المنتج" وتدوين ذلك عند الطلب.
سيناريوهات التطبيق



التعليمات
Xml سياسة الخصوصية مدونة خريطة الموقع
حقوق الطبع والنشر @ شركة مايكرو ماجيك جميع الحقوق محفوظة.
الشبكة المدعومة