مفتاح إمالة ثنائي المحور T70-J، رباعي الاتجاهات، ثنائي المخرج، عمر طويل ≥ 55000 ساعة، مناسب للتطبيقات الهندسية والتعدينية والبحرية.
T70-J عبارة عن جهاز ثنائي المحور رباعي الاتجاهات ثنائي الاتجاه تم تطويره محليًا مفتاح زاوية الميل وحدة قياس زاوية ميل المكونات من شركة مايكرو ماجيك. تعتمد هذه الوحدة بروتوكول Modbus عن بُعد، وتحتوي على مكونات أساسية داخلية، تشمل معالج MCU، ووحدة قياس الميل بتقنية MEMS، ودائرة الطاقة، ودائرة الإخراج، ومكونات أخرى مصنعة محليًا. تهدف هذه الوحدة إلى تصنيع معدات محلية الصنع، وتذليل العقبات التي تحول دون البحث والتطوير المستقل في مجال التكنولوجيا.
رقم القطعة، :
T70-Jالطلب (الحد الأدنى للكمية) :
1سلسلة المنتجات والمعايير
| المعلمة | شروط | T70-J | وحدة |
| نطاق القياس | ±90 | ° | |
| محور القياس | المحورين X و Y | ||
| محور علم | المحورين X و Y | ||
| استجابة التردد | استجابة DC | 100 | Hz |
| دقة | -40 إلى 85 درجة مئوية | 0.2 | ° |
| استقرار طويل الأمد | -40 إلى 85 درجة مئوية | <0.3 | ° |
| وقت بدء التشغيل | 0.5 | s | |
| إشارة الخرج | مخرج تبديل (جهد)، RS232 وTTL اختياريان، RS485 قابل للتخصيص | ||
| مخرج مرحل (مفتوح عادةً ومغلق عادةً)، RS232 وTTL اختياريان، RS485 قابل للتخصيص | |||
| متوسط ساعات العمل | ≥35000 ساعة/وقت | ||
| مقاومة الصدمات | 2450 غرام، 0.5 مللي ثانية، 3 مرات/محور | ||
| مضاد للاهتزاز | 10 غرامات، 10-1000 هرتز | ||
| مقاومة العزل | ≥100 ميجا أوم | ||
| مستوى مقاومة الماء | IP67 | ||
| كابل | كابل قياسي بطول 1.5 متر، مقاوم للتآكل، مقاوم للزيوت، يتحمل نطاقًا واسعًا من درجات الحرارة، ومحمي، 8 × 0.3 مم² | ||
| وزن | 110 غرام (باستثناء علبة التغليف) | ||
عملية الإنتاج

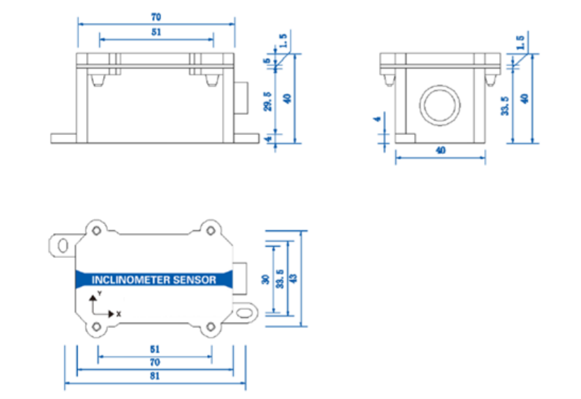
أبعاد المنتج

حجم المنتج: الطول 70 × العرض 40 × الارتفاع 40 ملم
سيناريوهات التطبيق



التعليمات
Xml سياسة الخصوصية مدونة خريطة الموقع
حقوق الطبع والنشر @ شركة مايكرو ماجيك جميع الحقوق محفوظة.
الشبكة المدعومة