مفتاح إمالة T70-D عالي الأداء بتقنية MEMS مزود بمرحّلين مدمجين لأنظمة صمامات الملف اللولبي / أنظمة الإنذار
T70-D عبارة عن مخرج مرحل عالي الأداء مفتاح إمالة رقمي أحادي المحور ثنائي القناة أطلقته شركة مايكرو ماجيك للتكنولوجيا المتقدمة. يتميز المنتج بنطاق قياس من 0 إلى ±180 درجة، ودائرتين مدمجتين لإخراج المرحلات. عند تجاوز قيمة زاوية الميل عتبة الإنذار المحددة مسبقًا، يتم إخراج إشارة مرحل تلامس غير حثي (تيار تشغيل 1 أمبير)، ويتم فتح صمام الملف اللولبي لإجراء تسوية هيدروليكية مناسبة للساق. تتم معايرة عتبة الإنذار في المصنع، ويمكن للمستخدمين أيضًا ضبط عتبة زاوية الإنذار بأنفسهم.
رقم القطعة، :
T70-Dالطلب (الحد الأدنى للكمية) :
1سلسلة المنتجات والمعايير
| المعلمة | شروط | T70-D-AV | وحدة |
| نطاق القياس | ±90 | ° | |
| محور القياس | المحور الصادي (اختياري) | المحورين X و Y | |
| محور علم | المحور الصادي (اختياري) | المحورين X و Y | |
| استجابة التردد | استجابة DC | 100 | Hz |
| دقة | عرض النطاق الترددي 5 هرتز | 0.01 | ° |
| دقة | -40 إلى 85 درجة مئوية | 0.1 | ° |
| استقرار طويل الأمد | -40 إلى 85 درجة مئوية | 0.1 | ° |
| وقت بدء التشغيل | 0.2 | s | |
| إشارة الخرج | كمية التبديل (الجهد) الناتج RS232 و TTL و RS485 اختيارية في نفس الوقت | ||
| متوسط ساعات العمل | ≥55000 ساعة/وقت | ||
| مقاومة الصدمات | 3500 غرام، 0.5 مللي ثانية، 3 مرات/محور | ||
| مضاد للاهتزاز | 10 غرامات، 10-1000 هرتز | ||
| مقاومة العزل | ≥100 ميجا أوم | ||
| مستوى مقاومة الماء | IP67 | ||
| كابل | كابل قياسي بطول 1.5 متر، مقاوم للتآكل، مقاوم للزيوت، يتحمل نطاقًا واسعًا من درجات الحرارة، ومحمي، 5 × 0.3 مم² | ||
| وزن | 150 غرام (باستثناء علبة التغليف) | ||
عملية الإنتاج
منتجات مشابهة أخرى

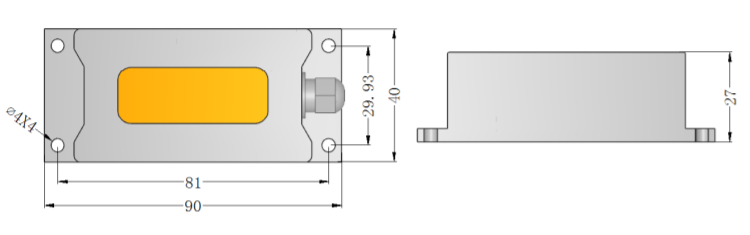
أبعاد المنتج

حجم المنتج: الطول 90 × العرض 40 × الارتفاع 27 ملم
الوضع الافتراضي هو التثبيت أفقيًا للأعلى: أثناء التثبيت، يجب أن يكون سطح تثبيت المستشعر موازيًا للسطح المستهدف للقياس؛ يُرجى الرجوع إلى مخطط الدوران لمعرفة طريقة التثبيت. في حال الحاجة إلى طرق تثبيت أخرى، يُرجى الرجوع إلى الوصف التخطيطي لـ "طريقة تثبيت المنتج" وتدوين ذلك عند الطلب.

سيناريوهات التطبيق



التعليمات
Xml سياسة الخصوصية مدونة خريطة الموقع
حقوق الطبع والنشر @ شركة مايكرو ماجيك جميع الحقوق محفوظة.
الشبكة المدعومة