مستشعر ميل رقمي ثنائي المحور، مستشعر زاوية ميل MEMS، مخرج Modbus RS232 RS485 RS422
سلسلة T7-A هي جيل جديد من أجهزة الطباعة الرقمية صغيرة الحجم من شركة Micro-Magic Inc. مستشعرات الميل أطلقته شركة MXMW Hi-Tech. يتميز هذا الجهاز بوحدة قياس ميل الجاذبية الأرضية ثنائية القنوات مدمجة، تقيس تسارع الجاذبية الديناميكي وتحوله إلى تغيرات في زاوية الميل. يتيح ذلك قياس زاويتي الدوران والانحراف لمخرج المستشعر بالنسبة للمستوى الأفقي. يدعم الجهاز أوضاع إخراج قياسية مثل RS232 وRS485 وRS422 وModbus، مع إمكانية اختيار واجهة TTL. بفضل نظام التحكم MCU المدمج، يتم تصحيح خطية خرج المستشعر مرتين، مما يعوض انخفاض الدقة الناتج عن عدم كفاية تصحيح النوع التناظري.
رقم القطعة، :
T7-Aالطلب (الحد الأدنى للكمية) :
1محور القياس :
Dual-axis tilt monitoring (single-axis optional)دقة عالية :
0.05°مقاس :
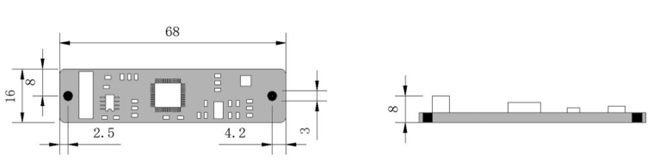
68*16*8mm (can be customized)مدخل الجهد :
DC+5V(DC 9~36V can be customized)نطاق واسع لدرجة حرارة التشغيل :
-40~+85℃مستوى الحماية :
IP67 (IP68 can be customized)دقة :
0.3°سلسلة المنتجات والمعايير
| المعلمة | شروط | T7-A-10 | T7-A-30 | T7-A-60 | T7-A-90 | وحدة |
| نطاق القياس | ±10 | ±30 | ±60 | ±90 | ° | |
| محور القياس | س، ص | س، ص | س، ص | س، ص | ||
| انحراف درجة الحرارة الصفرية | -40~85° | ±0.05 | ±0.05 | ±0.05 | ±0.05 | °/℃ |
| معامل درجة حرارة الحساسية | -40~85° | ≤200 | ≤200 | ≤200 | ≤200 | جزء في المليون/درجة مئوية |
| استجابة التردد | استجابة DC | 100 | 100 | 100 | 100 | Hz |
| دقة | عرض النطاق الترددي 5 هرتز | 0.05 | 0.05 | 0.05 | 0.05 | ° |
| دقة | -40 إلى 85 درجة مئوية | 0.3 | ° | |||
| استقرار طويل الأمد | -40 إلى 85 درجة مئوية | <0.32 | ° | |||
| وقت بدء التشغيل | 0.2 | s | ||||
| زمن الاستجابة | 0.01 | s | ||||
| معدل الإنتاج | 5 هرتز، (يمكن ضبطها على 15 هرتز، 35 هرتز، 50 هرتز، 100 هرتز) (لا تحتوي RS485 على هذه الوظيفة) | |||||
| إشارة الخرج | RS232/RS485/RS422/TTL/PWM/CAN/(MODBUS اختياري) | |||||
| متوسط ساعات العمل | ≥55000 ساعة/وقت | |||||
| مقاومة الصدمات | 2500 غرام، 0.5 مللي ثانية، 3 مرات/محور | |||||
| مضاد للاهتزاز | 10 غرامات، 10-1000 هرتز | |||||
| مقاومة العزل | ≥100 ميجا أوم | |||||
| مستوى مقاومة الماء | IP67 | |||||
| كابل | كابل قياسي بطول 1.5 متر، مقاوم للتآكل، مقاوم للزيوت، يتحمل نطاقًا واسعًا من درجات الحرارة، ومحمي، 4 × 0.2 مم² | |||||
| وزن | 7 غرام (باستثناء علبة التغليف) | |||||
عملية الإنتاج
منتجات مشابهة أخرى

أبعاد المنتج

سيناريوهات التطبيق



التعليمات
Xml سياسة الخصوصية مدونة خريطة الموقع
حقوق الطبع والنشر @ شركة مايكرو ماجيك جميع الحقوق محفوظة.
الشبكة المدعومة