مقياس تسارع بالقصور الذاتي من الكوارتز AC-7 بدقة ± 60 غرامًا، مستشعر ملاحة عالي الدقة
AC-7 مقياس تسارع مرن من الكوارتز سلسلة مقاييس التسارع الزلزالية صغيرة الحجم ومقاومة لدرجات الحرارة العالية. يتميز هذا المنتج بدقة تكرار ممتازة، وأداء بدء تشغيل سريع، ومقاومة عالية للزلازل ودرجات الحرارة المرتفعة، بالإضافة إلى موثوقية عالية، مما يجعله مناسبًا للاختبارات الثابتة والديناميكية، كما أنه يُعدّ مستشعر اهتزاز قياسيًا. يعتمد المنتج على تصميم فريد مصغر مقاوم للزلازل ودرجات الحرارة العالية، وعملية تغليف متطورة، ودائرة كهربائية خاصة. يتناسب تيار الخرج للمنتج طرديًا مع تسارع الإدخال، ويمكن للمستخدم اختيار مقاومة أخذ العينات المناسبة من خلال الحساب، لتحقيق دقة عالية في الإخراج. وبناءً على متطلبات المستخدم، يمكن استخدام مستشعر درجة الحرارة المدمج لتعويض القيم الجزئية ومعامل القياس، مما يقلل من تأثير درجة حرارة البيئة.
رقم القطعة، :
AC-7الطلب (الحد الأدنى للكمية) :
1سلسلة المنتجات والمعايير
| حدود | AC-7A | AC-7B | AC-7C | وحدة |
| يتراوح | ± 60 | ± 60 | ± 60 | g |
| قيمة العتبة | 10 | 10 | 10 | μg |
| الانحراف K0/K1 | ≤ ±10 | ≤ ±10 | ≤ ±10 | mg |
| عامل المقياس K1 | 1.2 ±0.2 | 1.2 ±0.25 | 1.2 ±0.25 | ملي أمبير/غرام |
| معامل اللاخطية من الفئة الثانية K2 | ≤ ±20 | ≤ ±20 | ≤ ±20 | ميكروغرام / غرام 2 |
| 0 غرام، ثبات قصير المدى لمدة 4 ساعات | ≤20 | μg | ||
| 1 غرام، ثبات قصير الأمد لمدة 4 ساعات | ≤20 | جزء في المليون | ||
| قيمة الانحراف، قابلية التكرار الشاملة σK0 (1σ، شهر واحد) | ≤ 40 | ≤ 40 | ≤ 40 | μg |
| قابلية تكرار عامل المقياس σK1/K1 (1σ، شهر واحد) | ≤ 50 | ≤ 50 | ≤ 50 | جزء في المليون |
| معامل اللاخطية، قابلية التكرار الشاملة K2/K1 (1σ، شهر واحد) | ≤ ±20 | ≤ ±20 | ≤ ±20 | ميكروغرام / غرام 2 |
| معامل درجة الحرارة لقيمة الانحراف | ≤ ±30 | ≤ ±30 | ≤ ±30 | ميكروغرام / درجة مئوية |
| معامل درجة الحرارة لعامل المقياس | ≤ ±50 | ≤ ±50 | ≤ ±50 | جزء في المليون / درجة مئوية |
| الضوضاء (مقاومة العينة 840 أوم) | ≤ 4 | ≤ 5 | ≤ 5 | mv |
| التردد الطبيعي | 350 ~ 800 | Hz | ||
| عرض النطاق الترددي | 800 ~ 2500 | ≥ 350 | ≥ 350 | Hz |
| اهتزاز | 5g | 20~2000 هرتز | ||
| صدمة | 150 غرام (0.5 مللي ثانية) | 150 غرام (5 مللي ثانية) | 150 غرام (5 مللي ثانية) | نصف جيب |
| نطاق درجة الحرارة (التشغيل) | -40 ~ +85 | ℃ | ||
| نطاق درجة الحرارة (المحفوظ) | -60 ~ +120 | ℃ | ||
| مزود الطاقة | ±12 ~ ±15 | ±15 (±0.5) | ±12 ~ ±18 | V |
| يستهلك التيار (في حالة السكون) | ≤ ±20 | ≤ ±100 | ≤ ±16 | mA |
| مقاس | Ф18.2X23 | Ф18.2X23 | Ф18.2X20.6 | mm |
| وزن | ≤30 | g | ||
عملية الإنتاج
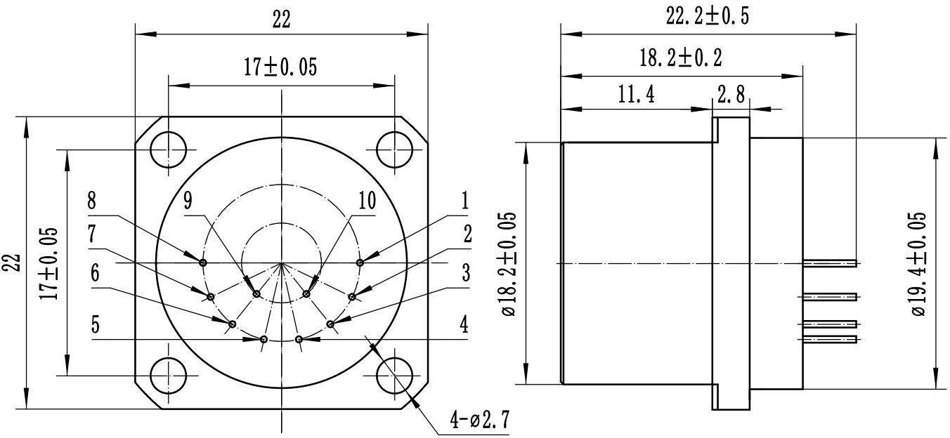
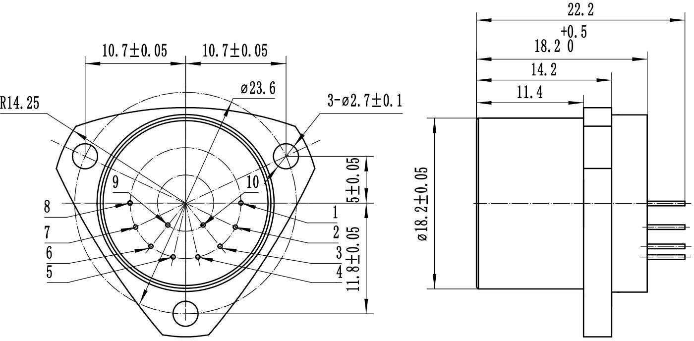
أبعاد المنتج
AC-7A و AC-7B

المخطط 1 للمربع

المخطط 2 للمثلث

المخطط 3 للمثلث المقلوب

مخطط مربع
سيناريوهات التطبيق



التعليمات
Xml سياسة الخصوصية مدونة خريطة الموقع
حقوق الطبع والنشر @ شركة مايكرو ماجيك جميع الحقوق محفوظة.
الشبكة المدعومة