In the actual use of the CAN bus, as shown in Figure 1, a 120Ω resistor needs to be connected at both ends of the bus. So what is the basis for using a 120Ω resistor?

Figure 1
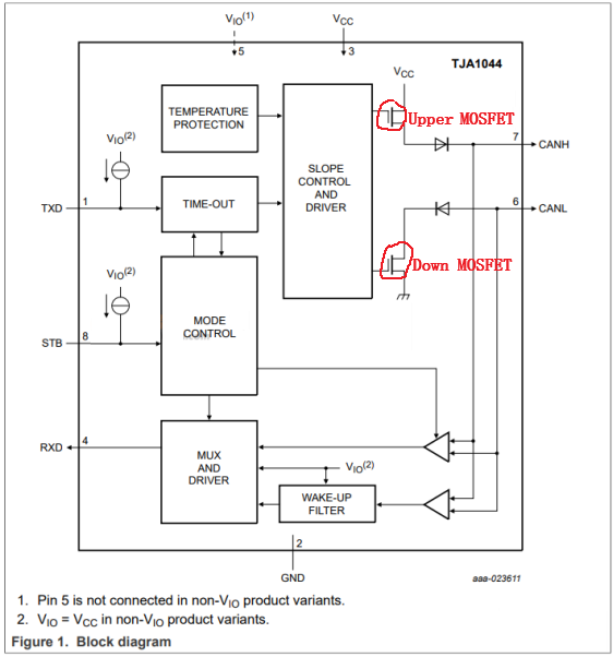
Below we take the internal architecture diagram of TJA1044 as an example for analysis.

Figure 2
The CAN bus's characteristic is that dominant represents 0, and recessive represents 1. When the bus is recessive, both the upper and lower transistors Q1 and Q2 within the TJA1044 are turned off, leaving CANH and CANL inactive with a voltage difference of 0V. When the bus is dominant, both the upper and lower transistors Q1 and Q2 within the TJA1044 are turned on, creating a voltage difference between CANH and CANL. If there is no load on the bus and the bus is recessive, the bus's differential resistance will be very large, causing even minimal external energy to cause the bus to become dominant. This is primarily because the minimum threshold voltage for dominant in typical transceivers is only around 500mV. Therefore, to improve the bus's immunity to interference, a termination resistor is required. However, this resistor should be kept as low as possible (and also to avoid excessive current).
In addition, parasitic capacitance on the bus must also be considered. When the bus is dominant, the capacitor charges, and when it is recessive, the capacitor discharges. If the bus does not have any parallel resistors, the bus can only discharge through the transceivers at both ends. This affects the transition time between the two states (recessive and dominant), resulting in waveform anomalies (climbing), as shown in Figure 3. When a signal encounters an impedance discontinuity in a high-speed transmission path, it causes signal reflections, which we call impedance discontinuities. Adding terminal resistors can eliminate or reduce the impact of these signal reflections. The terminal resistors absorb signal energy, preventing it from dispersing on the bus. So why 120Ω? In fact, the ISO 11898-2 standard clearly defines 120Ω as the most reasonable resistance value determined through extensive experimental testing.
Figure 3
If you want to verify how large the terminal resistance of the bus is required in an actual project, you can test it using the method shown in Figure 4 below.
Figure 4
Connect an adjustable resistor in parallel to the bus and adjust it until the square wave waveform remains undistorted. When selecting the terminal resistor power, the short-circuit condition of the interface must be taken into account. This means that in the event of a short circuit, the short-circuit current will flow directly from CANH to CANL. However, the current that a typical CAN transceiver can withstand is only tens of mA (due to internal current limiting measures within the transceiver). For example, the TJA1044 only handles 50 mA. Based on P = I² * R, we get 50 mA * 50 mA * 120 Ω = 0.3 W. Therefore, the resistor power is selected to be 0.25 W, which is the common 1206 package.
Xml سياسة الخصوصية المدونة خريطة الموقع
حقوق النشر
@ شركة مايكرو ماجيك كل الحقوق محفوظة.
دعم الشبكة