محول جهد إلى تردد عالي الدقة ±80 مللي أمبير، خرج 512 كيلو هرتز، وحدة إشارة تسارع ثلاثية المحاور صغيرة الحجم ومنخفضة الطاقة
سلسلة AVI-C تحويل V/F هذه الوحدة عبارة عن محول جهد/تردد عالي الدقة يستخدم تكامل الشحنة لتحويل إشارات التيار لثلاثة مقاييس تسارع بشكل متزامن. جميع مكونات هذه السلسلة من المنتجات مصنعة محليًا بالكامل، بنطاق يصل إلى ±80 مللي أمبير. تتميز بصغر حجمها، وانخفاض استهلاكها للطاقة، وانخفاض درجة حرارتها، وإمكانية التحكم بها ذاتيًا.
رقم القطعة، :
AVI-Cالطلب (الحد الأدنى للكمية) :
1سلسلة المنتجات والمعايير
| مواصفة | شروط الاختبار | الحد الأدنى | عادي | الحد الأقصى | وحدة |
| أقصى تردد خرج | درجة حرارة الجسم الكاملة | - | - | 512 | كيلوهرتز |
| الوضع الصفري F0 | درجة حرارة الجسم الكاملة | 0 | 60 | 100 | nA |
| انعدام الاستقرار | اختبار درجة الحرارة الثابتة | 10 | 20 | جزء في المليون | |
| معامل درجة الحرارة لعامل المقياس | نطاق درجة حرارة كامل | - | 1 | 2 | جزء في المليون/درجة مئوية |
| عدم تناظر عامل المقياس | التيار = ±1 مللي أمبير، درجة الحرارة = 25 درجة مئوية | 0 | 30 | جزء في المليون | |
| عامل المقياس اللاخطية الشاملة | نطاق درجة الحرارة الكامل 1 مللي أمبير ≤ | I | ≤ FS | - | 30 | 50 | جزء في المليون |
| خطأ إشارة صغير | 0.01 ميكرو أمبير ≤ |I| ≤ 1 مللي أمبير | 0.5 | Hz | ||
| استقرار أثناء التشغيل لمرة واحدة | التيار = ±1 مللي أمبير، درجة الحرارة = 25 درجة مئوية | 10 | 20 | جزء في المليون | |
| قابلية تكرار تشغيل الطاقة المتتالي | التيار = ±1 مللي أمبير، درجة الحرارة = 25 درجة مئوية | 10 | 20 | جزء في المليون | |
| نطاق درجة حرارة التشغيل TC | -45 | 85 | ℃ | ||
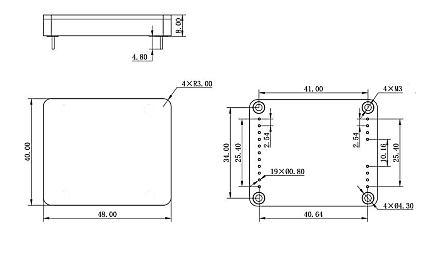
| أبعاد المنتج | 48*40*8 | مم | |||
| نموذج واجهة المستخدم | مخرج سلك مزدوج متصل بخط واحد | ||||
عملية الإنتاج
أبعاد المنتج

سيناريوهات التطبيق



التعليمات
Xml سياسة الخصوصية مدونة خريطة الموقع
حقوق الطبع والنشر @ شركة مايكرو ماجيك جميع الحقوق محفوظة.
الشبكة المدعومة