MG-403 جيروسكوب أحادي المحور هو منتج جيروسكوب أحادي المحور عالي الدقة بتقنية MEMS، أطلقته شركة Micro-Magic Inc. يتميز هذا المنتج بتغليفه الخزفي صغير الحجم، ودقته العالية، ونطاقه الواسع، ومقاومته للصدمات القوية، وقدرته على العمل ضمن نطاق واسع من درجات الحرارة، بالإضافة إلى مخرجاته الرقمية الكاملة. يُستخدم بشكل أساسي في أنظمة الملاحة بالقصور الذاتي، وأنظمة الملاحة المتكاملة، وأنظمة مرجعية الوضع (AHRS)، وأنظمة تثبيت المنصات، وأنظمة التحكم في طيران الطائرات بدون طيار، وغيرها.
رقم القطعة، :
MG-403الطلب (الحد الأدنى للكمية) :
1سلسلة المنتجات والمعايير
| MG-403 | وحدة | ملحوظات | |
| نطاق القياس | 400 | درجة/ثانية | الدوران باتجاه عقارب الساعة يُعطي خرجًا موجبًا، ومثبت عند ±105% من النطاق الكامل أثناء تجاوز المدى |
| دقة | 24 بت | أجزاء | |
| معدل نقل البيانات | 12 ألف | Hz | معدل تحديث بيانات الإخراج عند درجة حرارة الغرفة |
| تأخير جماعي | <2 | ms | التأخير الزمني بين الإشارة المدخلة والإشارة الخارجة |
| @3DB | 90 درجة | درجة | |
| عرض النطاق الترددي (-3 ديسيبل) | 150 | Hz | يُعرَّف بأنه التردد الذي يكون فيه التوهين أكبر من -3 ديسيبل |
| عامل المقياس عند 25 درجة مئوية | 20000 | lsb/deg/s | إعدادات المصنع |
| قابلية التكرار لعامل المقياس (1σ) | <15 | جزء في المليون | يوماً بعد يوم عند ضبط درجة الحرارة (1σ) |
| عامل المقياس مقابل درجة الحرارة (1σ) | <50 | جزء في المليون | ضمن نطاق درجة الحرارة (1σ) |
| عدم الخطية في عامل المقياس (1σ) | <100 | جزء في المليون | نسبة النطاق الديناميكي باستخدام أفضل خط مستقيم ملائم |
| عدم استقرار الانحياز | <0.03 | درجة/ساعة | تباين ألان عند 25 درجة مئوية |
| استقرار الانحياز | <0.3 | درجة/ساعة | موسيقى جي جي بي سلسة من عشر ثوانٍ |
| استقرار الانحياز | <1 | درجة/ساعة | 1 ثانية سلسة GJB |
| المشي العشوائي الزاوي | <0.015 | °/ √h | تباين ألان عند 25 درجة مئوية |
| خطأ الانحياز على درجة الحرارة (1σ) | <5 | درجة/ساعة | ضمن نطاق درجة الحرارة (1σ) |
| تغيرات درجة الحرارة المتحيزة، معايرة (1σ) | <0.5 | درجة/ساعة | ضمن نطاق درجة الحرارة (1σ) |
| الانحياز بين الدورات (1σ) | <0.15 | درجة/ساعة | يوماً بعد يوم عند ضبط درجة الحرارة (1σ) |
| ذروة الضوضاء إلى ذروتها | <0.15 | درجة/ثانية | ضمن نطاق تردد النطاق الترددي، عند درجة حرارة الغرفة |
| حساسية g | <0.3 | °/ساعة/غرام | أي محور، تم اختباره على مدى ±1 غرام |
| VRE | <0.3 | °/ساعة/غرام (rms) | (12 غرام RMS، 20-2000) |
| وقت بدء التشغيل | 750 متر | s | الوقت اللازم للوصول إلى الإنتاج التشغيلي |
| تردد الرنين للمستشعر | 11.5-12.5 كيلوهرتز | Hz | تردد الرنين الجيروسكوبي |
| صدمة (تشغيلية) | 1000 غرام، 1 مللي ثانية | ||
| الصدمة (البقاء) | 10000 غرام، 10 مللي ثانية | ||
| تشغيل الاهتزاز | 18 غرام، طيف الشاشة | ||
| درجة حرارة التشغيل | -40 درجة مئوية ~ +85 درجة مئوية | ||
| أقصى درجة حرارة للتخزين (للبقاء) | -55 درجة مئوية ~ +125 درجة مئوية | ||
| جهد التغذية | 5±0.25 فولت | ||
| الاستهلاك الحالي | 40 مللي أمبير | ||
معلومات التغليف
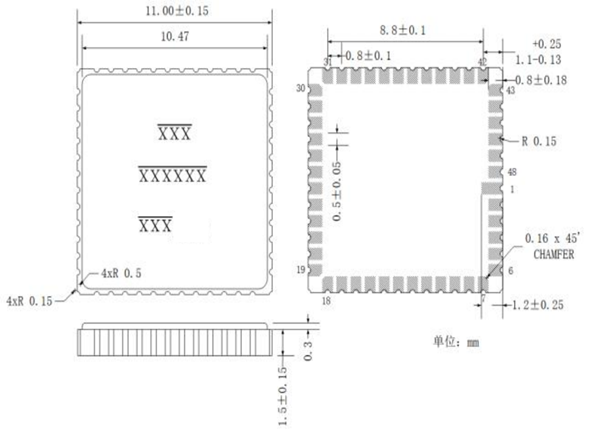
تعتمد MG-XXXX على غلاف سيراميكي ذو 48 دبوسًا

الشكل 1: مخطط التغليف

الشكل 2: مخطط حجم العبوة
محور الدوران

الشكل 3: رسم تخطيطي لكشف الدوران المحوري
MG-XXXX عبارة عن جيروسكوب أحادي المحور عالي الأداء يكتشف محور الدوران العمودي على سطح الشريحة.
قم بالتدوير عكس اتجاه عقارب الساعة على طول محور الدوران في الاتجاه الموجب، ومع اتجاه عقارب الساعة على طول محور الدوران في الاتجاه السالب.
سيناريوهات التطبيق
MG403 عبارة عن محور واحد عالي الأداء جيروسكوب MEMS يقوم بإخراج بيانات السرعة الزاوية ودرجة الحرارة عبر SPI، وهو مناسب لقياس الدوران عالي الدقة وتطبيقات مثل الملاحة بالقصور الذاتي وتثبيت الوضع.



التعليمات
Xml سياسة الخصوصية مدونة خريطة الموقع
حقوق الطبع والنشر @ شركة مايكرو ماجيك جميع الحقوق محفوظة.
الشبكة المدعومة